索比光伏网讯:为促进家庭屋顶光伏发电又好又快发展,提高低压配电网消纳家庭屋顶光伏电源电量能力,有效降低配电网运行安全风险,规范小型户用光伏发电系统并网的技术指标,根据国家相关技术标准和《浙江省人民政府办公厅关于加快百万家庭屋顶光伏工程建设的实施意见》(浙政办发〔2016〕109号)精神,市发改委会同国网丽水供电公司拟定了《丽水市家庭屋顶光伏接网技术规范(试行)》(征求意见稿)。现公开征求意见和建议。有关单位和公众可通过以下途径和方式提出反馈意见:
1.电子邮箱:Lssnyj@163.com
2.传真:2090915
3.邮寄地址:丽水市莲都区花园路1号市发改委(综合能源处),邮编323000。
反馈意见截止时间为:2017年8月25日。
感谢社会各界对能源工作长期以来的关心、理解和支持。
规范原文如下:
丽水市家庭屋顶光伏接网技术规范(试行)征求意见稿
1范围
本技术规范规定了丽水市380V及以下家庭屋顶光伏电源接入电网的基本要求。本规范未涉及的内容,还应执行现行的国家标准、规范以及电力行业标准的有关规定。
本技术规范适用于采用三相380V,单相220V电压等级接入电网,且并网点总装机容量不超过30kWp的家庭屋顶光伏发电系统。不适用于离网光伏发电系统。
2规范性引用文件
下列文件对于本文件的应用是必不可少的。凡是注日期的引用文件,仅注日期的版本适用于本文件。凡是不注日期的引用文件,其最新版本(包括所有的修改单)适用于本文件。
GB2894安全标志及其使用导则
GB72531.3低压成套开关设备和控制设备
GB50054低压配电设计规范
GB50065交流电气装置的接地设计规范
GB/T12325电能质量供电电压偏差
GB/T12326电能质量电压波动和闪变
GB/T14549电能质量公用电网谐波
GB/T15543电能质量三相电压不平衡
GB/T19862电能质量监测设备通用要求
GB/T29319光伏发电系统接入配电网技术规定
DL/T448-2000电能计量装置技术管理规程
DL/T599城市中低压配电网改造技术导则
Q/ZDJ04浙江省城市中、低压配电网建设与改造技术原则
Q/GDW1738配电网规划设计技术导则
Q/GDW1867小型户用光伏发电系统并网技术规定
Q/GDW11002低压电能计量箱技术标准
Q/GDW11147分布式电源接入配电网设计规范
3术语和定义
下列术语和定义适用于本文件。
3.1全额上网
发电系统所发电力全部送入电网。
3.2自发自用,余电上网
发电系统所发电力主要由用户内部自己使用,多余电量送入电网。
3.3并网点
家庭屋顶光伏电源的输出汇总点。
3.4接入点
家庭屋顶光伏电源接入电网的连接处,该电网既可能是公共电网,也可能是用户内部电网。
3.5公共连接点
是指用户系统(发电或用电)接入公用电网的连接处。
3.6逆变器
逆变器是变流器的一种类型,用于将电能转换成适合于电网使用的一种或多种形式电能的电气设备。
3.7孤岛
公共电网失压时,光伏电源仍保持对用户电网中的某一部分线路继续供电的状态。
3.8反孤岛装置
可向光伏电源并网点主动注入电压或频率扰动信号的专用安全保障设备,消除逆变器设备自身防孤岛检测失效带来的安全隐患。
4基本规定
4.1家庭屋顶光伏接入电网应遵循“安全可靠、技术先进、投资合理、标准统一”的原则,满足配电网和用户用电的安全运行要求。
4.2家庭屋顶光伏并网电气设备应符合国家相关技术标准,并满足日常运行、维护和检修的要求。
4.3家庭屋顶光伏采用的逆变器须获得中国质量认证中心的认证(CQC太阳能产品认证标志),逆变器质保期不低于10年。
4.4家庭屋顶光伏本体和并网设备的安装、施工应满足国家相关技术标准和施工规范,不得影响电力设施运行和用户用电的安全。
5居民家庭光伏并网接入原则
5.1基本要求
5.1.1家庭屋顶光伏可选择“全额上网”或“自发自用,余电上网”的并网模式,根据接入容量、接入电压等级、接入方式等确定接入系统方案。
5.1.2家庭屋顶光伏接入电压等级宜按照:三相输出接入380V电压等级电网,且在同一位置三相同时接入电网;单相输出接入220V电压等级电网。
5.1.3并网点的确定原则为光伏电源并入电网后能有效输送电力并且能确保电网的安全稳定运行。
5.1.4家庭屋顶光伏接入系统方案应明确用户隔离闸刀、并网开关、并网点等位置,并对接入家庭屋顶光伏的配电线路载流量、配变容量进行校核。
5.2电压等级确定
5.2.1光伏接入的电压等级应按照安全性、灵活性、经济性的原则,根据家庭屋顶光伏装机容量、发电特性、导线载流量、上级变压器及线路可接纳能力、用户所在地区配电网情况,经过综合比选后确定。家庭屋顶光伏电源接入电压等级可参考表1。
表1家庭屋顶光伏接入电压等级推荐表

5.2.2当采用220V单相接入时,根据配电管理规定和三相不平衡测算结果确定接入容量。一般情况下最大接入容量不应超过8kWp。
5.2.3并网点容量8~30kWp推荐采用380V接入。
5.3并网点选择
5.3.1家庭屋顶光伏的一般采用发电计量箱(柜)作为并网点。
5.3.2家庭屋顶光伏多路输出的发电电源应汇流后单点接入并网点。
5.4接入方式选择
5.4.1家庭屋顶光伏应按用户所处环境、并网容量等确定接入系统方式,本规范推荐二种接入方式见表2,接线图见(附录A)。
表2家庭屋顶光伏接入系统方式分类表

5.4.2根据“全额上网”、“自发自用,余电上网”两种并网模式。全额上网模式应直接接入公共电网低压分支箱或公用低压线路,自发自用、余电上网模式应接入用户计量箱(柜)表计负荷侧。
5.4.3自发自用、余电上网模式接入用户计量箱(柜)表计负荷侧的位置选择应在原用户剩余电流保护装置的电源侧。
6居民家庭光伏接入技术要求
6.1基本要求
6.1.1接有家庭屋顶光伏的配电台区,不得与其他台区建立低压联络(配电室、箱式变低压母线间联络除外)。
6.1.2220V光伏发电接入低压电网时,应校核同一台区每相接入的光伏发电总容量,防止出现三相功率不平衡问题。
6.1.3在采取相应技术措施满足供电安全的条件下,同一配变台区的并网家庭屋顶光伏总容量不应超过配变的额定容量,接入单条配电线路的容量不应超过该导线的输送能力。
6.2电能质量
6.2.1谐波
家庭屋顶光伏发电接入电网后,公共连接点的谐波电压应满足GB/T14549-1993《电能质量公用电网谐波》的规定,允许值见表3。
表3注入公共连接点的谐波电流允许值

6.2.2电压偏差
家庭屋顶光伏接入电网后,公共连接点的电压偏差应满足GB/T12325-2008《电能质量供电电压偏差》的规定。380V三相公共连接点电压偏差不超过标称电压的±7%;220V单相公共连接点电压偏差不超过标称电压的+7%、-10%。
6.2.3电压波动
家庭屋顶光伏接入电网后,公共连接点的电压波动应满足GB/T12326-2008《电能质量电压波动和闪变》的规定。输出为正弦波,电压波形失真度不超过5%。
6.2.4电压不平衡度
家庭屋顶光伏并网后,所接公共连接点的三相电压不平衡度应不超过GB/T15543-2008《电能质量三相电压不平衡》规定的限制,公共连接点的三相电压不平衡度不应超过2%,短时不超过4%;其中由光伏电源引起的公共连接点三相电压不平衡度不应超过1.3%,短时不超过2.6%。
6.2.5直流分量
家庭屋顶光伏向公共连接点注入的直流电流分量不应超过其交流额定值的0.5%。
6.3安全与保护
6.3.1家庭屋顶光伏并网点的短路电流与家庭屋顶光伏电源额定电流之比不宜低于10。家庭屋顶光伏发电系统在并网点应安装易操作、具有明显开断指示、具备开断故障电流能力的断路器。
6.3.2家庭屋顶光伏发电系统接入电网时,在并网点和公共连接点应设置明显断开点。
6.3.3光伏系统与电网应设置短路保护,当电网短路时,逆变器的过电流应不大于额定电流的150%,并在0.1S以内将光伏系统与电网断开。
6.3.4家庭屋顶光伏发电系统在并网点应安装低压并网专用开关,专用开关应具备失压跳闸及检有压合闸功能,失压跳闸定值宜整定为20%UN、10秒,检有压定值宜整定为大于85%UN。
6.3.5家庭屋顶光伏发电系统应在并网点设置自带保护脱离功能的防雷保护装置,并具备当防雷装置接地短路故障后能立即脱离电网、发电系统的功能;并网设备和发电系统金属外壳应实行保护接地;防雷及接地应满足GB50057建筑物防雷设计规范和GB50065交流电气装置的接地设计规范的要求,接地电阻不大于10Ω。
6.3.6家庭屋顶光伏发电系统必须具备快速检测孤岛且检测到孤岛后立即断开与电网连接的能力,其防孤岛保护方案应与继电保护配置等相配合。
6.3.7同一配变台区的并网光伏容量超过额定容量的25%后,配变低压侧刀熔总开关应改造为低压总开关,并在配变低压母线处装设反孤岛装置(见附录B);低压总开关应与反孤岛装置间具备操作闭锁功能,如母线间有联络时,联络开关也与反孤岛装置间具备操作闭锁功能。台区内家庭屋顶光伏并网容量超过15%时,宜提前安排进行上述改造。
6.3.8接入电网的家庭屋顶光伏电源在并网点处电网电压、频率异常时,家庭屋顶光伏逆变器的响应要求见表4(三相380V)、表5(单相220V)。
表4家庭屋顶光伏逆变器在电网电压异常时的响应要求(380V)

表5家庭屋顶光伏逆变器在电网电压异常时的响应要求(220V)

6.3.9接入电网的家庭屋顶光伏电源并网点处频率异常时,逆变器的响应要求见表6。
表6家庭屋顶光伏在电网频率异常时的相应要求

6.3.10家庭屋顶光伏并网的公共连接点、发电计量箱和用户计量箱等位置应设置电源接入安全标识。安全标识应采用提示性文字和符号。标识的形状、颜色、尺寸和高度应符合GB2894《安全标志及其使用导则》的相关要求,见(附录C)
6.4功率因数
6.4.1家庭屋顶光伏发电系统安装的并网逆变器应满足额定有功出力下功率因数在超前0.95~滞后0.95范围内动态可调。并网的家庭屋顶光伏发电系统应保证并网处功率因数在0.95以上。
6.5电能计量
6.5.1家庭屋顶光伏发电系统接入电网前,应明确上、下网电量和发电量计量点。计量点装设的电能计量装置配置和技术要求应符合DL/T448-2000《电能计量装置技术管理规程》的相关要求。
6.5.2全额上网模式计量点设置要求:在产权分界点合并设置用户用电计量点和发电计量点,配置双方向电能表,用于用户与电网间的上、下网电量和光伏发电量的分别计量(上网电量即为发电量)。
6.5.3自发自用、余电上网模式计量点设置要求:在产权分界点设置用户用电计量点,配置双方向电能表,用于用户与电网间上、下网电量的分别计量;在并网点设置发电计量点,配置单方向电能表,用于光伏发电量的计量。
6.5.4家庭屋顶光伏应采用适用于民用住宅建筑等环境安装的专用发电计量箱,产品应符合GB7251.3-2006标准。箱体材料选用SMC玻璃钢材质(厚度不低于2.5mm),观察窗采用非金属钢化玻璃材料,箱体应具有较强的封闭性并满足智能封印加封的要求。单相外型尺寸不小于53Omm×410mm×137mm,三相外型尺寸不小于680mm×480mm×180mm.
6.5.5专用计量箱内部应设备布局合理,导线固定牢固、布线工艺精细(附录D)。导线采用黄、绿、红U、V、W色线,零线采用黑色(N),保护接地线采用双色线(PE)。分户线与进线颜色应保持一致。
6.5.6专用发电计量箱应安装在户外,安装方式可采用多种(悬挂、固定等)方式,表箱安装中心离地高度为1.4-1.8米,安装位置选择应便于装拆、维护和抄表。进出线必须加装绝缘PVC套管保护,套管上端应留有滴水弯。
6.6通讯与信息
接入220/380V电压等级的家庭屋顶光伏电源应具备实时上传电能量信息的能力。条件具备时,家庭屋顶光伏发电系统应预留上传及控制并网点开关状态能力。暂仅需上传电流、电压、功率和发电量信息。
附录A(资料性附录)
家庭屋顶光伏并网方案说明
A.1光伏并网方案F-1
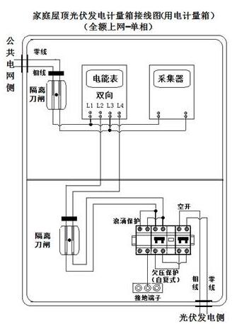
本方案主要适用于全额上网(接入公共低压分支箱或公用低压线路)的家庭屋顶光伏发电,并网点为发电计量箱(柜)﹝即为用电计量箱(柜)﹞,装机容量小于等于30kWp且大于8kWp,应采用三相接入;装机容量8kWp及以下,可采用单相接入。如图1所示;

A.2光伏并网方案F-2
本方案主要适用于自发自用,余电上网(接入用户计量箱-负荷侧)的家庭屋顶光伏发电,并网点为发电计量箱(柜),装机容量小于等于30kWp且大于8kWp,应采用三相接入,装机容量8kWp及以下,可采用单相接入。如图2所示;

A.3主要设备选择
方案中的设备选择主要为光伏发电并网接入部分,不包含光伏发电本体设备。
家庭屋顶光伏并网点处需加装光伏并网接入箱。箱内选用光伏并网专用断路器,预留计量表计、采集终端安装位置。
A.4光伏送出线路导线截面
家庭屋顶光伏发电送出线路导线截面选择应遵循以下原则:
1.家庭屋顶光伏发电送出线路导线截面选择需根据所需送出的容量、并网电压等级选取,并考虑家庭屋顶光伏发电效率等因素;
2.家庭屋顶光伏发电送出线路导线截面一般按持续极限输送容量选择;
3.380V电缆可选用YJV22-4×10mm2、16mm2、25mm2等截面,220V电缆可选用YJV-2×6mm2、10mm2等截面或选用塑料绝缘铜芯6mm2、10mm2导线。
A.5开关设备
并网断路器可选用微型、塑壳式或万能断路器,根据短路电流水平选择设备开断能力。直接接入公网并网的家庭屋顶光伏发电,在公共连接点根据现状低压设备情况相应配置开关设备。
附录B(资料性附录)
电网侧总开关反孤岛保护装置接线图
低压反孤岛装置主要用于220/380V电网中,一般安装在光伏发电系统送出线路电网侧,如配变低压侧母线、箱变母线等处,在电力人员检修与光伏发电系统相关的线路或设备时使用。

附录C(资料性附录)
家庭屋顶光伏安全警示标识
家庭屋顶光伏发电的公共连接点、发电计量箱和用户计量箱等位置应设置电源接入安全标识。材料采用铝箔覆膜标签纸,黄底黑字标识。
C.1发电计量表箱安全标识
1.标签样式(规格60mm×160mm)

2.张贴样式
按上网类型,张贴在表箱正面上沿或中间明显位置,但不应遮挡观察视窗,粘贴应可靠牢固。

C.2用电计量表箱安全标识(余电上网)
1.标签样式(规格60mm×160mm)

2.张贴样式

C.3发电表箱电源进出类型标识
1.标签样式(规格20mm×40mm)

2.张贴样式(粘贴于表箱内底板上)

C.4公共连接点安全标识
1.标签样式(规格120mm×300mm)

2.张贴样式

C.5配变台区安全标识
1.标签样式(规格120mm×300mm)

2.张贴样式

附录D(规范性附录)
家庭屋顶光伏专用发电计量箱
D.1主要性能参数

D.2箱体外形尺寸



D.3配置单
1绝缘安装底板2进线隔离刀闸3出线隔离刀闸4浪涌保护器5机械型过欠压延时保护(自复式)6出线断路器(空开)7接地端子(铜排)8封印处9门锁
D.4接线图
1.全额上网接线示意图



2.余电上网接线示意图



原标题:关于公开征求《丽水市家庭屋顶光伏接网技术规范(试行)》(征求意见稿)的公告
索比光伏网 https://news.solarbe.com/201708/22/134366.html

