分布式项目的接入方案由电网公司免费提供。为此,国家电网完成了分布式项目的典型方案设计。
一、设计范围及内容
《分布式光伏发电接入系统典型设计》(以下简称《典型设计》)设计范围为:10kV及以下电压等级接入电网,且单个并网点总装机容量小于6兆瓦。
《典型设计》根据接入电压等级、运营模式和接入点不同,共划分8个单点接入系统方案,5个多点接入系统方案。每个典型设计方案内容包括接入系统一次、系统继电保护及安全自动装置、系统调度自动化、系统通信、计量与结算的相关方案设计。
二、设计思路
1、单点接入方案划分
按照接入电压等级,分为接入10kV、380/220V两类。
按照接入位置,分为接入变电站/配电室/箱变、开闭站/配电箱、环网柜和线路四类。
按照接入方式,分为专线接入和T接两类。
按照接入产权,分为接入用户电网和接入公共电网两类。
2、多点接入方案组合
考虑单个项目多点接入用户电网,或多个项目汇集接入公共电网情况,设计多点接入组合方案。
按照接入电压等级,分为多点接入380V组合方案、多点接入10kV组合方案、多点接入10kV/380V组合方案三类。
按照接入产权,分为接入单一用户组合方案、接入公共电网组合方案两类。
3、计量点设置
对于接入用户电网,计量点设置分为两类,一是装设双向关口计量电能表,用户上、下网电量分别计量;另一类装设发电量计量电能表,用于发电量和电价补贴计量。
对于接入公共电网,计量点设置在产权分界点处,装设发电量计量电能表, 用于电量计量和电价补偿。
4、防孤岛检测和保护
分布式光伏发电系统逆变器必须具备快速主动检测孤岛,检测到孤岛后立即断开与电网连接的功能。
接入10kV的分布式光伏发电项目,形成双重检测和保护策略。380V电压等级由逆变器实现防孤岛检测和保护功能,但在并网点应安装易操作,具有明显开断指示的开断设备。
5、通信方式
根据配电网区域发展差异,按照降低接入系统投资和满足配网智能化发展的要求考虑通信方式。
优先利用现有配网自动化系统和营销集抄系统通信。
6、发电系统信息采集
接入10kV的项目,采集电源并网状态、电流、电压、有功、无功、发电量等电气运行工况。
接入380V的项目,暂只采集电能信息,预留并网点断路器工位等信息采集的能力。
三、设计方案
1、单点接入方案

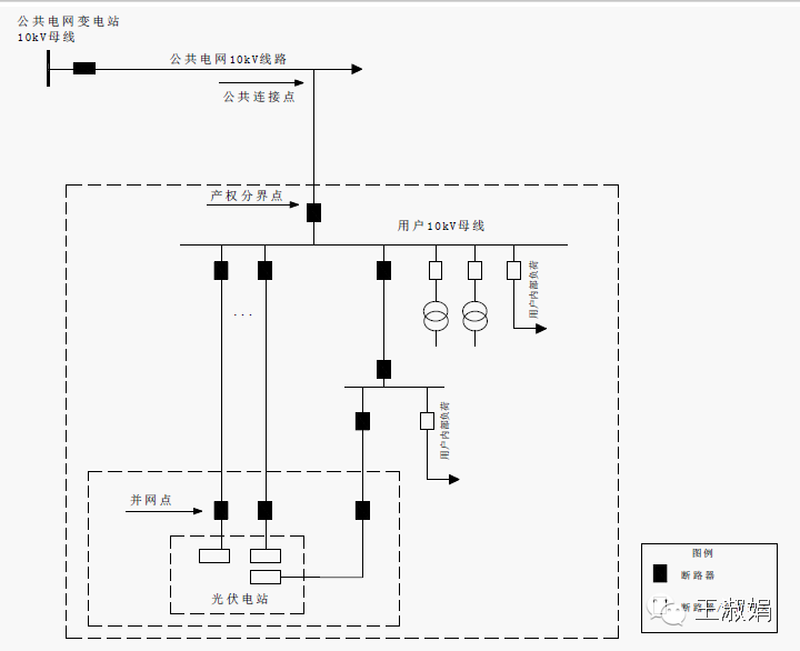
方案1编号: XGF10-T-1

方案2编号: XGF10-T-2

方案3编号: XGF10-T-1

方案4编号: XGF10-Z-1

子方案1:专线接入公共电网

子方案2:T接接入公共电网
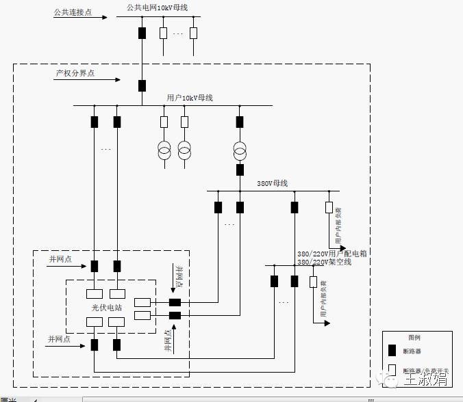
方案5编号: XGF380-T-1

方案6编号: XGF380-T-2

方案7编号: XGF380-Z-1

子方案1:接入380用户

子方案2:接入10kV用户
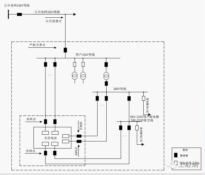
方案8编号: XGF380-Z-2

2多点组合方案

组合方案1编号: XGF380-Z-Z1

子方案1:接入380V用户

子方案2:接入10kV用户
组合方案2编号: XGF10-Z-Z1

子方案1:专线接入公共电网

子方案2:T接接入公共电网
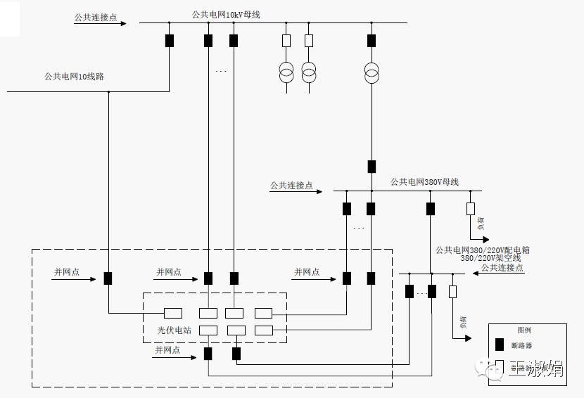
组合方案3编号:XGF380/10-Z-Z1


组合方案4编号: XGF380-T-Z1

组合方案5编号: XGF380/10-T-Z1

索比光伏网 https://news.solarbe.com/201702/18/147018.html

