索比光伏网讯:在前一章中我们较为详尽地介绍了太阳能电池制造过程中的一个重要工序———P-N结的制作,即常说的扩散过程,并对制作P-N结的扩散炉进行了简单介绍。而在制造太阳能电池的工艺流程中,通常都在扩散后进行刻蚀。在扩散过程中,硅片的周边表面也形成扩散层。周边扩散层使电池的上电极和下电极形成短路,必须将它除去。这个工序是太阳电池制作中必不可少的一步,周边存在任何微小的局部短路都会使电池并联电阻下降,以至成为废品。本章首先对光伏" title="光伏新闻专题">光伏刻蚀技术进行了简单的介绍,并在此基础上介绍了几类典型的刻蚀清洗设备的使用和维护。
5.1刻蚀技术简介
5.1.1刻蚀的原理
在刻蚀工艺的前一步,对硅片进行了扩散,形成了P-N结。但形成的P-N结与理想的P-N结有差距,如图5.1所示:

图5.1理想的P-N结与实际形成的P-N结
周边的扩散层可能造成电池短路,所以很有必要对周边多余的部分进行去除。在太阳电池的常见工艺中,常常是在含硼的磷型硅片上扩磷,所以要去除的主要是周边扩散了磷的部分。
为了将扩散所得的硅片制成P-N结,我们得把四周的N型层去掉。背面的N型层可以用补偿法消除,用丝网印刷铝浆,然后烧结可以使N型层返回到P型。去周边用激光切割的方法或等离子体刻蚀法。激光切割可以在太阳电池电极印刷和烧结结束后进行。激光切割去周边时必须把激光束照在背电极上,而且不能让激光把硅片击穿,必须控制好激光的强度和运行速度,才能做到去周边时对太阳电池的P-N结无影响。等离子体刻蚀法是目前在太阳电池制造业中应用得最多的一种方法,利用高频辉光放电手段将CF4离解成活性原子和自由基,各种游离基中F原子为主要的刻蚀剂,与硅反应后生成具有挥发性的SiF4,后面还将详细介绍。
5.1.2刻蚀技术的分类及特点
刻蚀是采用化学或物理的方法,有选择地从半导体材料表面去除不需要材料的过程。通常刻蚀技术分为湿法腐蚀和干法刻蚀两种。
1.湿法腐蚀
湿法腐蚀是通过化学溶液与被刻蚀材料发生化学反应而去除被刻蚀物质的方法。湿法刻蚀的特点是各向同性,但会因存在侧向腐蚀而产生底切现象,从而导致线宽失真,特别是微细线条的刻蚀更为困难,因此迫切需要寻找新的途径。直到六十年代人们才发现等离子体可用于去除残留碳化物,并可成功地用于等离子体去胶工艺中,随后很快发展了半导体器件工艺中的干法刻蚀技术。
2.干法刻蚀
干法刻蚀是把材料的被刻蚀表面暴露于等离子体中,等离子体通过光刻胶中开出的窗口与材料发生物理或化学的反应,从而去掉暴露的材料。干法刻蚀又可分为物理性刻蚀与化学性刻蚀。物理性刻蚀是利用辉光放电将气体如氩(Ar)解离成带正电的离子,再利用偏压将离子加速,使其轰击在被刻蚀物表面上,将被刻蚀物质的原子击出。此过程完全是物理上的能量转移,故称之为物理性刻蚀。其特色在于有很好的方向性,并可获得接近垂直的刻蚀轮廓。但由于离子是全面均匀地溅射在晶片上的,光刻胶与欲刻蚀材料两者会同时被刻蚀,因而刻蚀选择性偏低。而且被击出的物质并非挥发性物质,这些物质容易沉积在被刻蚀薄膜表面及侧壁上,因此采用完全物理方式的刻蚀方法在半导体器件制程制造过程中很少被使用。而化学性刻蚀是利用等离子将刻蚀气体解离产生带电离子、分子、电子及反应性很强的原子团。此原子团扩散到被刻蚀薄膜表面,与被刻蚀薄膜表面原子反应形成具有挥发性的产物,并被真空设备抽离反应腔。由于此反应完全利用化学反应完成,故称之为化学性刻蚀。此刻蚀方式与前面所述的湿法腐蚀类似,只是反应物的状态从液态变成了气态,且以等离子来促进反应速度。所以化学性刻蚀与湿法腐蚀有类似的优缺点,对掩膜、基底有较高的选择比,且也有各向同性刻蚀现象。在半导体器件制作过程中,纯化学性刻蚀通常应用于不需图形转换的步骤中,如用于光刻胶的去除。
使用最广泛的是物理性的离子轰击与化学性反应相结合的刻蚀方法。此法兼具各向异性与高刻蚀选择比的双重优点,刻蚀主要由化学反应来完成,这样可以获得较高选择比。加入离子轰击的作用是将被刻蚀材料表面的原子键破坏,以加快反应速度,将再沉积于被刻蚀表面的产物或聚合物轰击打掉,以便使被刻蚀表面能再与刻蚀气体接触,刻蚀得以继续进行,而侧壁上的沉积物因未受到离子轰击而被保留下来,这样便可阻隔刻蚀表面与反应气体的接触,使侧壁不受刻蚀而实现各向异性刻蚀。
5.1.3干法刻蚀技术的发展历程
20世纪70年代初,干法刻蚀技术主要以辉光放电产生等离子体的方式进行加工,经过30多年多样化的发展过程,干法刻蚀技术不断得到完善和创新,并且出现过多种干法刻蚀形式,它们各有各自的时代背景,也各有所长。表5.1列出了曾经得到较多应用、具有一定普遍性的干法刻蚀形式,其中:
1.屏蔽筒式———直到现在仍是等离体去胶机的基本结构形式;
2.下游式———属纯游离基的化学刻蚀;
3.平行板式———带低能离子轰击的游离基刻蚀;
4.反应离子式———兼有离子轰击和游离基刻蚀,是目前实验室和生产中应用最多的结构;
5.磁控反应离子式———比反应离子刻蚀有更高的刻蚀速率;
6.三级式———可分别控制离子能量和离子密度;
7.离子铣———对所有材料,包括铁磁和陶瓷材料均能刻蚀;
8.反应离子束———可调整离子入射角度,独立控制离子能量和离子密度;
9.化学辅助离子束———可调节刻蚀过程中的游离基刻蚀和离子轰击比例。


表5.1各种干法刻蚀形式的不同区别
按刻蚀原理来分,1.2.3.可统称为等离子刻蚀,主要是化学反应过程;4.5.6.属反应离子刻蚀,是物理—化学反应过程;7.8.9.属离子束刻蚀,除了离子铣是纯物理过程
外,其余为物理—化学反应过程。高刻蚀速率和高均匀性一直是微细加工技术发展的主要追求目标。随着基片尺寸不断增大,器件结构尺寸不断缩小,这方面的要求就更为突出。新的等离子体产生方式是近年来干法刻蚀技术研发的重点。比如电子回旋共振(ECR)技术,它是1984年前后日本日立公司最早研究的,但开始并未得到充分重视,只在日本有所发展。直到八十年代末,美英法德的少数公司才开始开发,随后进展很快。曾有人认为ECR技术将是今后的发展主流,但九十年代初,美国LaN公司与IGM公司合作发展了感应耦合等离子体(ICP)技术,随后又出现螺线式、螺线共振式、空心阳极式和共振感应式等新型等离子体结构。这些新开拓技术的共同特点是能够产生高密度的等离子体,以提高刻蚀速率和刻蚀均匀性。
5.1.4四种典型的干法刻蚀技术
1.等离子体刻蚀(PlasmaEtching)
等离子体刻蚀是在等离子体存在的条件下,以平面曝光后得到的光刻图形作掩膜,通过溅射、化学反应、辅助能量离子或电子等方式,精确可控地除去衬底表面上一定深度的薄膜物质,留下不受影响的沟槽边壁上物质的一种加工过程。该过程通常为各向异性且按直线进行,还具有刻蚀速率高、均匀性和选择性好以及避免废液料污染环境等优点。正因为如此,它得到了广泛的工业应用。
(1)等离子体的基本知识
等离子体是由部分解离的气体及等量的带正、负电荷粒子所组成,其中所含的气体具有高度的活性,它是利用外加电场的驱动而形成,并且会产生辉光放电(GlowDischarge)现象。刻蚀用的等离子体中,气体的解离程度很低,通常在10-5~10-1之间,在一般的等离子体或活性离子反应器中气体的解离程度约为10-5~10-4,若解离程度到达10-3~10-1则属于高密度等离子体。
等离子体形成的原理:等离子体的产生可由直流(DC)偏压或交流射频(RF)偏压下的电场形成,而在等离子体中的电子来源通常有两种:一种为分子或原子解离后所产生的电子,另一种为离子撞击电极所产生的二次电子(SecondaryElectron),在直流(DC)电场下产生的等离子体其电子源主要以二次电子为主,而交流射频(RF)电场下产生的等离子体其电子源则以分子或原子解离后所产生的电子为主。在等离子刻蚀中,以直流方式产生辉光放电的缺点有以下3个主要方面:①功率消耗较高,也就是说产生的离子密度低;②须以离子撞击电极产生二次电子,如此将会造成电极材料的损耗;③所需之电极材料必须为导体。由于上述3个方面的主要缺点,决定了采用直流方式产生等离子体的方法将不能应用于硅片的制作中。在射频放电(RFDischarge)状况下,由于高频操作,使得大部分的电子在半个周期内没有足够的时间移动至正电极,因此这些电子将会在电极间作振荡,并与气体分子产生碰撞。相较于直流放电,射频放电具有下列优点:①放电的情况可一直持续下去而无需二次电子的发射,当硅片本身为电极的一部分时,这点对半导体材料制程就显得十分重
要了;②由于电子来回地振荡,因此离子化的几率大为提升,蚀刻速率可因而提升;③可在较低的电极电压下操作,以减低电浆对组件所导致的损坏;④对于介电质材料同样可以运作。
现今所有的等离子体系统皆为射频系统。另外,值得一提的是在射频系统中一个重要的参数,是供给动力的电极面积与接地电极面积之比,它将对等离子体的产生形成直接影响。
等效电子及离子温度:存在于等离子体中的电场分别施力于带正电荷之离子与带负电荷的电子,F=E×q,而加速度a=F/M,由于离子质量远大于电子,因此电子所获得的加速度与速度将远大于离子,以至电子的动能远大于离子,电子与离子间处于非平衡状态。从气体动力论中,得知EkiNetic=(3/2)kT,由此可知,等效电子温度远大于等效离子温度,如此可视为“热”电子处于“冷”等离子体之中。因此电子能够在低温的状态下提供一般在高温下才能使分子解离所需要的能量。在一般刻蚀用的等离子中,等效的电子温度约为10000℃~100000℃。
(2)等离子体刻蚀的基本原理
等离子体刻蚀的基本原理可以概括为以下几个步骤:
①在低压下,反应气体在射频功率的激发下,产生电离并形成等离子体,等离子体是由带电的电子和离子组成,反应腔体中的气体在电子的撞击下,除了转变成离子外,还能吸收能量并形成大量的活性基团(Radicals),其电离反应式一般可写为:
![]()
式中A2表示电离气体,A+为正离子,e为电子,A为化学性质很活泼的自由基。
②自由基和被刻蚀材料之间的化学反应对材料产生腐蚀作用。
③反应生成挥发性极强的气体脱离被刻蚀物质表面,并被真空系统抽出腔体。等离子体刻蚀与湿法腐蚀相比最大的优点是可使刻蚀具有强方向性。
(3)刻蚀过程中的化学反应
利用辉光放电产生的氟离子与硅发生反应,产生挥发性的产物SiF4,可达到边缘刻蚀的目的。若以CF4蚀刻二氧化硅(SiO2),则CF4经电浆放电效应后会产生氟原子和CF2原子,再利用这些原子来进行SiO2的蚀刻:

若加入O2和CF4,电浆会和氧原子反应生成CO、CO2和微量的COF2,这些生成物吸
收碳原子,使得氟原子数目增加的同时使得整个蚀刻反应速率加速:
![]()
若加入H2和CF4,电浆会使氟和氢气解离成原子和离子状态,其中氢原子和氟原子会反应生成气态的HF,使得电浆内的氟原子减少,因而让反应速率减慢:
![]()
(4)等离子刻蚀中的基本物理及化学现象
在干法刻蚀中,随着制程参数及等离子体状态的改变,可以区分为两种极端性质的蚀刻方式,即纯物理性刻蚀与纯化学反应性刻蚀。纯物理性刻蚀可视为一种物理溅镀(Sputter)方式,它是利用辉光放电,将气体(如Ar)解离成带正电的离子,再利用偏压将离子加速,溅击在被刻蚀物的表面,将被刻蚀物质原子击出。此过程完全利用物理上能量的转移,所以称为物理性刻蚀。其特色为离子撞击带来很强的方向性,可获得接近垂直的刻蚀轮廓。其缺点是由于离子是以撞击的方式达到刻蚀的目的,因此光刻胶与待刻蚀材料两者将同时被刻蚀,造成对屏蔽物质的刻蚀选择比变差,同时刻蚀终点必须精确掌控,因为以离子撞击方式刻蚀对于底层物质的选择比很低,且被击出的物质往往是非挥发性物质,而这些物质容易再度沉积至被刻蚀物薄膜的表面或侧壁,加上刻蚀效率偏低,因此,以纯物理性刻蚀方式在太阳电池制造过程中很少被用到。纯化学反应性蚀刻,则是利用等离子体产生的化学活性极强的原(分)子团扩散至待刻蚀物质的表面,并与其反应产生挥发性的生成物,通过真空设备抽离反应腔。由于这种反应完全利用化学反应来达成,故谓之纯化学反应性刻蚀。它的蚀刻方式相近于湿法腐蚀,只是反应物及产物的状态由液态改变为气态,并利用等离子体来促进刻蚀的速率。因此纯化学反应性刻蚀拥有类似于湿法腐蚀的优点及缺点,即高选择比及等向性刻蚀。在半导体制程中纯化学反应性刻蚀应用的情况中通常为不需做图形转换的步骤,如光刻胶的去除等。一个仅基于化学反应机制的理想干刻蚀过程可分为以下几个步骤:①反应气体进入腔体;②产生等离子体形态的活性基团,如离子及自由基(Radicals);③活性基团由扩散、碰撞或场力移至待刻蚀物表面并吸附于表面;④活性基团停滞在待刻蚀物表面一段时间;⑤进行化学反应并产生挥发性的生成物;⑥生成物脱离表面;⑦脱离表面的生成物扩散至气体中并排出腔体。上述步骤中若其中一个停止发生,则整个反应将不再进行。而其中生成物脱离表面的过程最为重要,大部分的反应物种皆能与待刻蚀物表面产生快速的反应,但除非生成物有合理的蒸气压以使其脱离表面,否则反应将不会发生。
总的来说,纯物理性刻蚀,如离子束刻蚀(IonBeamEtch)有两大缺点:①低选择比;②低刻蚀效率。而纯化学反应刻蚀也有两个缺点:①等向性刻蚀;②无法应用至次微米的组件制程上,包含了线宽控制与均匀性等问题。综上所述,等离子(干式)刻蚀的完成包含了以下几种过程:①化学反应,属等向性;②离子辅助刻蚀,具方向性;③保护层的形成,可避免侧壁遭受蚀刻;④生成物残留的排除。
(5)等离子体刻蚀的基本方法
如图5.2所示,等离子体刻蚀有以下几种基本方法:溅射法、化学法、能量离子增强法、能量离子防护法。

图5.2等离子体刻蚀的几种基本方法示意图
图5.2为等离子体刻蚀的几种基本方法示意图。(a)溅射法是由于能量离子的撞击而引起表面物质的原子急速蒸发和向外喷射的纯物理过程,这种方法选择性差,易引起器件损伤。(b)化学法是在化学方法刻蚀中,等离子体使中性原子基活化,从而产生了刻蚀剂,化学法刻蚀是各向同性的。(c)能量离子增强刻蚀法是将一定能量的离子垂直轰击在被刻蚀物质的表面,而被刻蚀物质的边壁上离子通量甚小。能量离子的作用一方面使得化学反应容易发生,另一方面使得这种反应具有方向性、各向异性。(d)能量离子防护刻蚀法是将一种防腐蚀剂镀于衬底表面从而形成一种防护膜,它与活化中性粒子刻蚀剂不起作用,但适当的离子通量可以破坏这种防护膜。由于防护膜表面与离子通量成直角,所以化学反应在竖直方向上发生。但边壁上的防腐剂保护侧壁免遭腐蚀,因而刻蚀是各向异性的。
现在太阳电池器件制造过程中常采用的等离子体是由射频放电产生的非平衡等离子体。为实现超微细、大面积和高速加工的目的,等离子体必须具备低气压、大口径、高密度(在1010~1012cm-3范围)等特性。但是降低工作气压或者增加口径会导致等离子体密度的降低。解决这个矛盾的一种方案是采用高频放电的方法来产生等离子体,这样可以使电源功率更有效地耦合给等离子体,由此可以提高等离子体的密度。目前,最有代表性的高频放电方法有电容耦合放电、电感耦合放电、微波电子回旋共振放电、螺旋波放电及表面波放电等。
2.反应离子刻蚀
(1)反应离子刻蚀的基本原理
反应离子刻蚀是利用高频电场下气体辉光放电产生离子轰击的物理效应和活性粒子的化学效应相结合来实现加工目的的一种技术。一般来说,它具有较高的刻蚀速率、良好的方向性和选择性,能刻蚀精细结构的图形。图5.3是反应离子刻蚀系统简图。仪器整个真空壁接地作为阳极,阴极是功率电极,阴极侧面的接地屏蔽罩可防止功率电极受到溅射。要刻蚀的样品放在功率电极上,刻蚀气体按照一定的工作压力和搭配比例充满整个反应室。将反应腔中的刻蚀气体加上大于气体击穿临界值的高频电场,在强电场作用下,被高频电场加速的杂散电子与气体分子或原子进行随机碰撞,当电子能量大到一定程度时,随机碰撞变为非弹性碰撞,产生二次电子发射,它们又进一步与气体分子碰撞,不断激发或电离气体分子。这种激烈碰撞引起电离和复合,当电子的产生和消失过程达到平衡时,放电能不断地维持下去。由非弹性碰撞产生的离子、电子及游离基游离态的原子、分子或原子团也是等离子体,具有很强的化学活性,可与被刻蚀样品表面的原子起化学反应,形成挥发性物质,达到刻蚀样品表层的目的。同时由于阴极附近的电场方向垂直于阴极表面,高能离子在一定的工作压力下垂直地射向样品表面,进行物理轰击,使得反应离子刻蚀具有很好的各向异性。

图5.3反应离子刻蚀系统简图
(2)反应离子刻蚀的优点
反应离子刻蚀方式兼具非等向性及高选择比等双重优点。刻蚀的进行主要靠化学反应来达成,并通过这种方式获得高选择比。加入离子撞击的作用有两个:一是将待刻蚀物质表面的原子键结破坏,以加快刻蚀速率;二是将再沉积于待刻蚀物质表面的产物或聚合物(Polymer)打掉,以便待刻蚀物质表面能再与反应刻蚀气体接触。非等向性刻蚀的达成,则是靠再沉积的产物或聚合物,沉积于待刻蚀图形上,在表面的沉积物可被离子打掉,刻蚀可继续进行,而在侧壁上的沉积物,因未受离子的撞击而保留下来,阻隔了表面与反应刻蚀气体的接触,使得侧壁不受侵蚀,从而获得非等向性蚀刻。
3.离子铣
离子铣是近年来发展较快的一种离子剥离技术。单一的离子铣并没有刻蚀物的化学反应发生,因为在其中使用了惰性气体如氨气。这是一个纯粹的机械过程,有时将其称为类似喷砂的微机械过程,刻蚀过程的物理特性完全和溅射类似。离子铣和高压等离子体相比有两个重要的先进性、定向性和实用性。刻蚀的定向性是由于离子束中的离子是通过一个强垂直电场来加速的,反应室的压力很低故原子间的碰撞是不可能的,结果当原子碰撞半导体材料表面时原子速度是近乎完全垂直的。对所有材料都可做到各向异性刻蚀,因为它是非化学性的。离子铣的第二个优点是它可以用来刻蚀包括化合物和合金的许多种原料。靶的刻蚀速率因为材料不同而造成的变化不超过3倍,因此离子铣广泛应用于制作YBaCuO、InAl-GaAs及其他三元物和四元物的系统中。
4.聚焦离子束刻蚀
亚微米聚焦离子束微细加工包括物理溅射刻蚀(简称溅射刻蚀)、化学增强刻蚀、淀积、注入等方面。其中最容易实现的是物理溅射刻蚀,它可应用于光刻模板的修理、多层电路的剖面观察、集成光电子器件中光学元件的微细加工。自从聚焦离子束首次用于制作微细结构以来,它已发展成为半导体制作技术中的一个可靠工具。综上所述,干法刻蚀是太阳电池制作过程中用到的基本工艺过程之一,利用干法刻蚀可去除不需要的材料层或者形成台阶,且具有各向异性刻蚀、刻蚀速率高、选择性好等优点。
5.2典型的刻蚀清洗设备
通过前面的介绍,对刻蚀的基本原理应该有了初步的认识,下面将介绍两种典型的刻蚀清洗设备,并对其使用方法和使用中的注意事项进行简单介绍。
5.2.1电感耦合(ICP)高密度等离子体刻蚀机
1.主要用途
ICP高密度等离子体刻蚀机是一种刻蚀速率高、加工精度高、损伤小的新一代先进刻蚀机。它是“九五”国家重点科技攻关项目“高密度等离子体刻蚀技术的研究”的成果。它由一组大功率的射频激励电源通过感应耦合在反应室内产生高密度等离子体,然后由另一组功率较小的偏压电源引导离子垂直于被刻蚀物体运动,从而达到各向异性和高速低损伤刻蚀的目的。
该机采用分子泵机组抽真空,能避免油沾污、在低气压下刻蚀,从而获得深亚微米图形、减少片子表面的聚合物淀积。该机为实验室用机型,适用于科研和小规模生产。用F基气体,可刻蚀Si、Poly-Si、SiC、Si3N4、SiO2、W、WSi、Mo、MoSi、Ta和TaSi等。用O2气还可去胶。
2.设备的基本结构及工作方法
图5.4所示为ICP高密度等离子体刻蚀机的光伏设备工作原理示意图。刻蚀气体在基片的上方被引入等离子体源腔室,其流量由流量控制阀来控制,控制阀可以自动快速地调节气体流量。设备配有通过自动匹配网络控制的两套独立的射频电源,其第一套射频电源通过电感耦合的方式使刻蚀气体辉光放电,产生高密度的等离子体(Ar等离子体密度>10-11个/cm3),在第二套射频电源作用下产生对基片的定向物理溅射轰击。两套电源可以独立自动控制,所以等离子体密度和轰击离子的能量可以单独调控。刻蚀腔壁上装配有永久磁铁,磁铁产生的磁场使等离子体在腔室侧壁上的损耗降低,并且变得更加均匀稳定。高效率的涡轮分子泵和前级泵可以迅速地把废气和挥发性刻蚀产物抽走,保持腔室内所需要的低工作气压。工作气压在气体流量一定的情况下,可以通过一个抽速控制阀,在一定范围内进行调节。基片温控系统可以对基片的温度进行控制,满足不同基片温度下刻蚀的需要,另一套温控系统可以对腔室的侧壁温度进行控制。基片和等离子体源的距离可以在一定范围内调节。双腔室的结构以及自动送片装置使得反应刻蚀腔室不直接暴露在大气压下,避免了水汽等有害气体进入刻蚀腔。

图5.4ICP高密度等离子体刻蚀机外形及刻蚀设备工作原理示意图
ICP刻蚀设备用分立的射频电源控制等离子体密度和离子轰击能量,为优化刻蚀工艺参数创造了条件;高效率的电感耦合等离子体产生模式可以获得高密度的活性粒子,为得到高刻蚀速率奠定了基础。设备可以在低气压下维持稳定的辉光放电,这保证了离子轰击的方向性和刻蚀的均匀性,这些对于大面积亚微米陡直刻蚀十分有利。通过自动匹配网络调控射频电源和对抽速以及流量的自动控制,可以实现刻蚀过程的自动化控制。
3.ICP刻蚀参数对刻蚀结果的影响
影响ICP刻蚀结果的因素有很多,其中直接工艺因素有刻蚀气体、气体流量、工作气压、射频功率、偏压、电极位置和温度等。而刻蚀腔室的内壁情况对于刻蚀的结果和重复性有很重要的影响。在ICP刻蚀中,影响结果以及过程的因素和条件复杂多变,并且相互制约牵连,因此,在不同的刻蚀系统和刻蚀条件下将会有相同的作用机理。在ICP刻蚀技术中,通过电感耦合的方式产生高密度等离子体,为获得高刻蚀速率奠定了基础。根据掩模材料与被刻蚀材料刻蚀机理的不同,选用合适的刻蚀混合气体,并合理调节物理轰击作用的强弱,从而可以获得高选择性。合理利用离子的定向轰击对于化学反应的增强作用和侧壁钝化层抑制等离子体刻蚀的各向同性,可以得到高各向异性。合理调节轰击离子的能量,保持较高的刻蚀速率以减少被刻蚀材料暴露在等离子体中的时间,可以使得刻蚀对材料造成的损伤减到最小。均匀分布的、稳定的高密度等离子体,保证了大面积刻蚀下的均匀性。为了满足不同器件的制作对于刻蚀的不同要求,可以合理调节刻蚀参数,根据具体需要在各向异性、选择性、表面损伤和刻蚀速率等方面做到综合权衡,得到最佳的刻蚀效果。
ICP刻蚀技术作为一种商业化的光伏技术,要求刻蚀效率和刻蚀稳定性高,刻蚀效果的重复性好。要达到这些要求,刻蚀腔室内壁的情况就显得十分重要。在刻蚀的过程中,腔室的侧壁上难免会形成聚合物或反应生成物的薄层。侧壁上的沉积物会对活性离子和电子在侧壁上的碰撞、吸附和复合产生影响,并且侧壁沉积物一般会形成绝缘薄膜,从而影响电磁场、影响等离子体性质。当这些沉积物达到一定厚度时,甚至可能形成颗粒污染,损坏刻蚀表面。在刻蚀过程中,腔室侧壁上沉积物的离化再聚合会给刻蚀断面轮廓的控制带来不利影响。清除腔室侧壁上的沉积物对于刻蚀稳定性和重复性的影响十分重要。利用物理方法来清理腔室,效率低,并对腔壁有损伤,利用合适的气体来进行等离子体清洁腔室是比较好的方法。刻蚀硅或者二氧化硅时,腔室内的沉积物主要可以分成两大类:一类是以碳氟聚合物气体引入的碳氟聚合物为主的沉积物,这种情况下用O2作为去除沉积物的气体可以取得很好的效果;另一类是以氯基、溴基以及其他刻蚀气体与被刻蚀材料的反应生成物为主的沉积物。用SF6或SF6/O2作为去除沉积物的刻蚀气体可以取得较好的效果,但是需要注意的是必须对沉积物进行彻底的清除,如有残留,那么结合在沉积物中的F会在以后的刻蚀过程中释放出来,对于刻蚀的结果会产生不利的影响。在对腔室侧壁进行清洁后,采用一些方法让侧壁达到比较稳定的状态,可以明显提高刻蚀效果的重复性。在一些情况下侧壁留下残留物的去除则比较困难,可能需要等离子体化学去除结合物理去除才可以达到满意的效果。
ICP高密度等离子体刻蚀机的整机性能如下:
(1)激励电源:13.56MHz1500W;带匹配器和功率计;1台;
(2)偏压电源:500W;带匹配器和功率计;带定时器;1台;
(3)真空系统:620升/秒分子泵、8升/秒机械泵各1台;带真空计;
(4)反应室尺寸:Ф300mm;
(5)气路系统:6路进气(其中2路可作清洗);4个质量流量计,4路显示;
(6)可加工片子尺寸:Ф150mm以内;
(7)均匀性:±5%(4英寸硅片内)。
参考工艺结果如下:
(1)刻蚀出线宽为0.13μm陡直的SiO2窗口图形;
(2)刻蚀出线宽为0.15μm陡直的Si窗口图形;
(3)Si的快速(非陡直)刻蚀可达3μm/min以上;
(4)刻蚀出厚度为12μm陡直的SiO2图形。
4.使用方法
(1)开启等离子刻蚀机电源开关、冷却水开关,开氧气(O2)和四氟化碳(CF4)气瓶开关(两小格即可);
(2)打开射频电源预热20分钟;
(3)将扩散完、待加工的硅片整齐地叠在一起,在最上面、最下面的硅片上加同规格的塑料薄片,用四氟片压好,盖上盖板,平衡拧紧螺丝,(控制好力度,要压紧,但也不要太过用力,以免压碎硅片)放入离子刻蚀机反应室,对准盖好上盖板;
(4)打开机械泵,开主抽,开始抽真空,抽到最低,同时开启氧气和四氟化碳,并按工艺条件调节氧气和四氟化碳的流量比例;
(5)打开射频电源,调节电压到工艺设定条件,真空室开始发出粉红偏白的辉光,再调节C1和C2匹配,使入射功率最大,反射功率最小;
(6)刻蚀设定时间到后,关闭射频电源、氧气和四氟化碳;
(7)继续抽真空,抽到最低,关主抽开充气,反复两至三次;
(8)打开上盖板,取出已去边的硅片,拿开上下塑料薄片,取上、下及中间(每隔10片左右抽一片)的硅片,用万用表检测硅片四个周边电阻值是否符合工艺规范之要求;
(9)工作结束后,把硅片夹放回真空室,开主抽,抽一会儿真空(10秒即可),关主抽,关机械泵,关射频电源和冷却水,关闭氧气和四氟化碳气瓶开关。
5.2.2M42系列等离子体刻蚀机
1.主要用途
M42系列等离子体刻蚀机具有占地面积小、装片容量大、生产率高等优点。同时,还具有手动/自动功能。除装卸片要人工操作外,其余过程实现了全自动,保证了工艺的准确性和重复性,大大地提高了产品质量。该设备主要用于太阳电池周边掺杂硅的刻蚀,也可用于半导体工艺中多晶硅、氮化硅的刻蚀和去胶。
2.工作原理及结构特征
(1)设备的基本结构
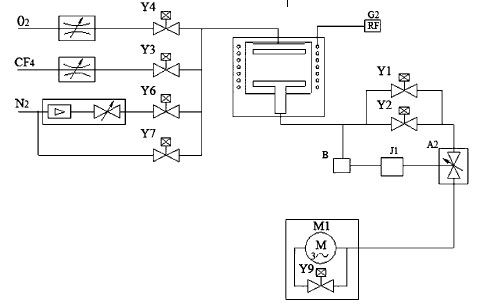
本光伏设备由反应室、真空系统、送气系统、高频电源、匹配器等部分组成,见图5.5所示。

图5.5等离子体刻蚀机平面安装图
(2)设备系统及工作原理
图5.6为等离子体刻蚀机系统示意图。其反应室采用立式结构,射频功率通过电感耦合到反应室内,保证周边刻蚀均匀。真空系统采用主抽和预抽两路抽气,既能保证本底抽空的时间,又能使气氛扰动减小。送气系统通断气均采用电磁阀控制,工艺气体采用质量流量计控制,可靠性高,重复性好。片架可旋转,提高了刻蚀的均匀性。在泵口有一路稀释气体,它可以延长泵的维护周期和使用寿命,在排气出口加有一路N2可使排放尾气达到排放标准。射频电源的功率采用闭环自动控制,并有阻抗匹配器可保证射频输出功率几乎完全耦合到反应室内。电气控制具有手动/自动控制功能,在手动状态下,可以进行真空检漏,不能进行工艺实验。采用PLC进行工艺自动控制,可靠性高,稳定性好。各电气元器件均采用插装式,便于维修和更换。

图5.6等离子体刻蚀机系统示意图
3.主要技术指标
(1)刻蚀介质掺杂硅、氮化硅
(2)刻蚀部位5英寸,6英寸方片周边
(3)装片量300片/批
(4)射频电源13.56MHz,100~1000W连续可调
(5)气路系统手动,1路浮子流量计,2路质量流量计
(6)抽气系统2X-15机械泵,工作压力自动控制
(7)刻蚀速率Si3N450nm/min掺杂硅200nm/min
(8)批间时间25min
(9)电源3N,380V,50Hz,5kW
(10)周边刻蚀不均匀性±5%
4.使用方法
(1)在工艺开始前设定好功率值、流量值以及各步的时间,以后只要待刻蚀硅片的膜厚不变,各参数值不必重新设置。如果想改变某些工艺参数,如压力、流量和功率值,则必须按上述步骤重新调整后才能进行自动工艺。
(2)“手动”操作只限用于设备的调试与维修,工艺过程在自动状态下完成。在自动状态下,只需按下“运行”按钮即可自动执行整个工艺过程,待有蜂鸣声提示时,关闭“运行”按钮;重复按“运行”按钮即可连续进行工艺。整个过程操作简单、方便,能够适应于生产线的需求。
(3)开机前,首先将电源和气源打开;关机前,先关气源,将反应室抽成真空状态后再关电源。
(4)工艺控制器的各参数一经调好,不得轻易改变,否则将造成工艺不稳定,控制不准确。
(5)在刻蚀完成后,有蜂鸣器提示,可开盖取片。整个工艺流程框图如图5.7所示:

图5.7等离子体刻蚀机工艺流程图
5.注意事项
(1)该设备操作人员必须经过高频设备操作技术学习。
(2)高频电源实际使用功率不能超过800W。
(3)工艺调整必须由工艺技术人员调整。
(4)本设备的高频地线必须独立接地,不允许与其他设备共地线。
(5)使用本设备必须严格遵守操作顺序。
(6)检修时严禁带电操作。定期检查设备地线,确保设备安全接地。长期停放时应注意防潮,拆除电源进线。
(7)机械泵启动时若没有正常启动,不要强行开泵,以免加速造成机械泵损坏。解决办法:a.检查更换泵油的周期是否符合规定;b.用手拉动机械泵传动皮带,使泵体转轴活动,并按标识的方向旋转1~2圈,然后再开泵;c.若仍无法正常启动,则应立即检查泵体,并进行清洗。
(8)根据实际工作情况,石英管需要定期(累计工作时间达720小时)进行旋转,每次旋转约60度,旋转3次后可将石英管倒置,再次进行旋转操作,以延长石英管使用寿命。
(9)电感线圈接线位置非专业人员不得调整接线位置。射频电源匹配参数只能做微调,非工艺人员或设备维修人员不得更改匹配参数。
(10)设备停机时应保持反应室处于真空状态。
(11)设备处于辉光工艺状态时不得用手触摸反应室上盖及电感线圈,以免发生意外。
(12)非专业人员不得进行手动工艺。
6.设备的维护与保养
(1)工作场地必须保持清洁、干燥,设备上及设备周围不得放置无关物品,特别是易燃、易爆物品。
(2)长期停放时应注意防潮,拆除电源进线。
(3)设备停机、过夜也要保持反应室内应是真空状态。
(4)累计生产50小时后,更换泵油;累计生产15~20天需拆开泵体清洗;累计生产100小时后,清洗反应室;累计工作720小时,旋转石英管。
(5)因太阳能行业的刻蚀对油泵具有酸性腐蚀,因此,油泵的使用寿命相对比正常使用要短,大约半年到一年左右。
(6)定期检查设备地线,确保设备安全接地。(作者罗玉峰、张发云、廖卫兵)
索比光伏网 https://news.solarbe.com/201205/23/255335.html

