12月30日,江苏电力交易中心公示2026年江苏省内电力市场年度交易结果,总成交电量2724.81亿千瓦时,加权均价344.19元/兆瓦时。
分电源类型成交情况:火电总成交2539.46亿千瓦时,加权均价344.85元/兆瓦时;核电总成交144.95亿千瓦时,加权均价335.50元/兆瓦时;风电总成交33.88亿千瓦时,加权均价336.85元/兆瓦时;光伏总成交6.53亿千瓦时,加权均价320.28元/兆瓦时。
对比2025年交易电价来看,光伏、风电成交价格以及电量均出现了大幅下降,光伏降幅最高达21.4%,风电降幅则达17.2%。此外,加权均价则由412.45元/兆瓦时降至344.19元/兆瓦时,降幅16.5%。
分交易品种成交情况:年度双边协商成交主体共有247家发电企业、24家一类用户、205家售电公司,总成交电量2372.79亿千瓦时,加权均价344.85元/兆瓦时。年度集中竞价成交主体共有335家发电企业、9家一类用户、179家售电公司以及国网江苏省电力有限公司,总成交电量266.47亿千瓦时,加权均价340.44元/兆瓦时。年度挂牌交易共有148家发电企业、9家一类用户、161家售电公司,总成交电量85.55亿千瓦时,加权均价337.65元/兆瓦时。
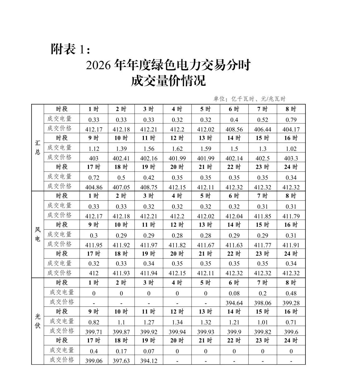
绿电交易方面,本次交易共有96家新能源发电企业、2家一类用户、41家售电公司,共计139家市场主体成交2391笔交易,电量17.81亿千瓦时,加权均价404.94元/兆瓦时,其中绿色电力环境均价21.71元/兆瓦时
其中:风电成交7.62亿千瓦时,加权均价412.02元/兆瓦时,绿色电力环境均价28.48元/兆瓦时;光伏成交10.19亿千瓦时,加权均价399.65元/兆瓦时,绿色电力环境均价16.65元/兆瓦时。
对比2025年19.19元/兆瓦时的绿色电力环境均价,2026年价格出现一定程度上涨,但主要涨幅在风电。
有分析指出,根据136号文规定,纳入机制的电量不再参与绿电交易,不重复获得绿证收益,江苏存量新能源项目机制比例高达90~100%,导致短期内省内绿电供给大幅缩减,江苏作为绿电消纳大省,绿电需求旺盛,这也是绿色电力价值上涨的主要原因。










索比光伏网 https://news.solarbe.com/202512/31/50015872.html

