太阳能组件使用铝合金边框作为最终的封装材料,与有机硅胶结合,将电池片,玻璃等原辅料封装保护起来,使得组件的各项性能得到有效提高,能够经受住不同环境的考验。铝边框在设计过程中考虑到了组件的自重、风载荷、雪载荷及其他活载荷的因素,使其机械强度足以支持组件长期工作。同时,由于有铝边框及硅胶的存在,钢化玻璃得到了更好的保护,运输过程更方便安全。
一、功能
铝边框与有机硅胶结合,将电池片、玻璃、背板等原辅料封装保护起来,使得组件得到有效保护,同时由于铝边框的保护,组件在运输、移动过程中更加安全和方便。
1.1、保护
铝边框的保护功能主要体现在一下几个方面:
1.机械保护。组件原辅料中,钢化玻璃受力不均匀容易产生爆碎,铝边框机械强度高,与有机硅胶结合,可以缓冲外力冲击,承受较大的外力,有效保护钢化玻璃及其封装的电池片。
2.绝缘保护。组件工作环境各不相同,有可能会遇到雷雨天气,由于组件暴漏在环境中,使得组件位置相对突出,容易被闪电击中。铝边框表面经过阳极氧化工艺处理,有一层致密的氧化膜,其不但有较高的耐磨性,还有非常优异的绝缘性,可以有效提高整个组件的耐压性能,有效保护组件内部脆弱的电池片。
另外,铝边框有效地保护着组件,同时由于其机械强度较高,在搬运及装箱运输过程中,更加方便更加安全。
1.2、密封
铝边框的密封功能是通过与有机硅胶的结合使用来完成的。有机硅胶将铝边框和层压件粘合在一起,将整个组件构成一个整体,既能使铝边框提供其保护功能,又能有效地缓冲机械冲击。
二、分类
2.1、用途 按用途可以分为以下几类: 1. 门窗的建筑用门窗铝型材(分为门窗和幕墙二种)。 2. CPU散热器的专用散热器铝型材。 3. 铝合金货架铝型材,他们的区别在于截面形状的不同.但都是通过热熔挤压生产出来的。 4.工业铝型材:主要用于自动化机械设备、封罩的骨架以及各公司根据自己的机械设备要求定制开模,比如流水线输送带、提升机、点胶机、检测设备等等,电子机械行业和无尘室用得居多!
2.2、成分 按合金成分类可分为1024、2011、6063、6061、6082、7075等合金牌号铝型材,其中6系的最为常见。不同的牌号区别在于各种金属成分的配比是不一样的,除了常用的门窗铝型材如60系列、70系列、80系列、90系列、幕墙系列等建筑铝型材之外,工业铝型材没有明确的型号区分,大多数生产厂都是按照客户的实际图纸加工的。 太阳能组件用的铝边框是经过特殊设计的,对于铝边框的机械强度,绝缘性,隔热性等都经过精确地计算,已达到满足实际使用的要求。
2.3、表面处理 按表面处理要求分类: 1. 阳极氧化铝材 2. 电泳涂装铝材 3. 粉末喷涂铝材 4. 木纹转印铝材
5. 刨光铝材(分为机械刨光与化学抛光二种,其中化学抛光成本最高,价格也最贵)
三、成分
铝边框的成分主要为内部铝合金基材及其表面的氧化铝薄膜,下面分别介绍这两部分。
3.1、铝基材
太阳能组件用的铝合金基材的合金配方是经过特殊设计后搭配的,主要考虑到铝边框所承担的各种载荷情况,添加不同的元素,是铝合金基材的性能发生相应的变化。一般而言,其成分为:

3.2、氧化膜
为了克服铝合金表面硬度、耐磨损性等方面的缺陷,扩大应用范围,延长使用寿命,表面处理技术成为铝合金使用中不可缺少的一环,而阳极氧化技术是目前应用最广且最成功的方法。
阳极氧化工艺是这样进行的:
将铝合金的制件作为阳极置于相应电解液(如硫酸、铬酸、草酸等)中作为阳极,在特定条件和外加电流作用下,采用电解的方法使其表面形成氧化物薄膜。金属氧化物薄膜改变了表面状态和性能,如表面着色,提高耐腐蚀性 、增强耐磨性及硬度,保护金属表面等。
铝合金表面上形成氧化铝薄层,其厚度为5~20微米,硬质阳极氧化膜可达60~200微米 。阳极氧化后的铝或其合金,提高了其硬度和耐磨性,可达250~500千克/平方毫米,良好的耐热性,硬质阳极氧化膜熔点高达2320K ,优良的绝缘性 ,耐击穿电压高达2000V,增强了抗腐蚀性能,在ω=0.03NaCl盐雾中经几千小时不腐蚀。
氧化膜是无色透明的,利用封孔前氧化膜的强吸附性,在膜孔内吸附沉积一些金属盐,可使型材外表显现本色(银白色)以外的许多颜色,如:黑色、古铜色、金黄色及不锈钢色等。
四、设计

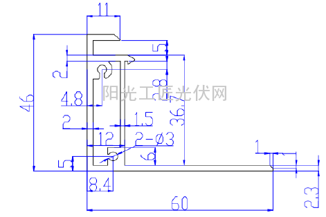
图4-1 铝边框剖面图(mm)
太阳能铝合金边框尺寸是经过严格计算后设计的,主要指标有材高,材宽,槽深,钉孔直径等。
具体尺寸为:
材高:46mm。
材宽:60mm。
槽深:9mm±1。
槽宽:5mm。(玻璃3.2mm+背板0.4mm+EVA0.5*2=4.6mm±0.2)
螺孔直径:M3.5。
五、生产工艺
1、熔铸是铝材生产的首道工序。主要过程为:
(1)配料:根据需要生产的具体合金牌号,计算出各种合金成分的添加量,合理搭配各种原材料。
(2)熔炼:将配好的原材料按工艺要求加入熔炼炉内熔化,并通过除气、除渣精炼手段将熔体内的杂渣、气体有效除去。
(3)铸造:熔炼好的铝液在一定的铸造工艺条件下,通过深井铸造系统,冷却铸造成各种规格的圆铸棒。
2、挤压:挤压是型材成形的手段。先根据型材产品断面设计、制造出模具,利用挤压机将加热好的圆铸棒从模具中挤出成形。常用的牌号6063合金,在挤压时还用一个风冷淬火过程及其后的人工时效过程,以完成热处理强化。不同牌号的可热处理强化合金,其热处理制度不同。
3、上色 (此处先主要讲氧化的过程)
氧化:挤压好的铝合金型材,其表面耐蚀性不强,须通过阳极氧化进行表面处理以增加铝材的抗蚀性、耐磨性及外表的美观度。
其主要过程为:
(1)表面预处理:用化学或物理的方法对型材表面进行清洗,裸露出纯净的基体,以利于获得完整、致密的人工氧化膜。还可以通过机械手段获得镜面或无光(亚光)表面。
(2)阳极氧化:经表面预处理的型材,在一定的工艺条件下,基体表面发生阳极氧化,生成一层致密、多孔、强吸附力的AL203膜层。
(3)封孔:将阳极氧化后生成的多孔氧化膜的膜孔孔隙封闭,使氧化膜防污染、抗蚀和耐磨性能增强。氧化膜是无色透明的,利用封孔前氧化膜的强吸附性,在膜孔内吸附沉积一些金属盐,可使型材外表显现本色(银白色)以外的许多颜色,如:黑色、古铜色、金黄色及不锈钢色等。

六、特点
铝合金边框的特点主要由其表面的氧化物薄膜来体现。
(1) 耐蚀性。膜厚及封孔质量直接影响使用性能。
(2) 硬度和耐磨性。基体硬度为HV100,普通阳极氧化膜可达HV300,而硬质膜则可达HV500,硬度和耐磨性是一致的。
(3) 装饰性。既保持金属的光泽和质感,又可以染色成丰富多彩的彩色。
(4) 有机涂层和电镀层附着性。可有效提高表面层的附着力和耐蚀性。
(5) 电绝缘性。铝是良导电体,而氧化膜则是高电阻的绝缘膜。绝缘击穿电压可达30~200V/um,室温体积电阻率为:
109?/cm3,250℃时可达1013?/cm3
(6) 透明性。铝纯度越高,氧化膜透明度越高。
(7)功能性。利用氧化膜的多孔性,可在微孔中沉积功能性微粒,得到功能性材料。
七、注意事项
7.1、运输
包装材料主要有纸类、木材类、金属类、复合材料类、麻类等。所有包装材料应符合环保要求,并可回收、再生或讲解处理。
与铝材直接接触的包装材料的水溶性应呈中性或弱酸性,其中纸张的含水率≤10%,木材的含水率≤20%。
铝边框应该是这样包装:在型材表面贴一层保护塑料薄膜,外面再包一层塑料泡沫防止碰撞。
7.2、使用
1.检验边框时保证工作台面整洁无其他物品,防止边框划伤。
2.注胶时,保证将硅胶注入边框沟槽内的中间位置,保持组件两面同时溢胶,随时检查工作台面,防止将硅胶粘在边框外面,造成二次污染。
3.安装螺钉时不要用力过大,以免造成边框损坏或螺钉断裂在螺孔内。(作者微信公众账号:光伏经验网)
独家申明:凡注明“阳光工匠光伏网独家”来源的文字、图片、图表与音视频稿件等资料,版权均属阳光工匠光伏网所有。任何媒体、 网站或个人未经本网协议授权不得全部或者部分转载、链接、转帖 或以其他方式复制发布/发表。经本网许可后转载务必请注明 来自“阳光工匠光伏网”和作者,违者本网将依法追究责任。

上一篇:【刘工总结】光伏组件封装材料总结之接线盒
下一篇:【刘工总结】光伏组件封装材料总结之焊带、助焊剂(12月18日发布)
索比光伏网 https://news.solarbe.com/201412/16/203518.html

