索比光伏网讯:太阳能电池是半导体材料器件,它能够把光能转换为电能,这也就是光生伏特效应(photovoltaiceffect)。利用这种效应,太阳能电池把太阳能转换成电能。因此,电池的转换效率越高,我们就能获得更多的电。所以研究的主要目标就是不断追求转换效率更高的太阳能电池。
我们通常见到的太阳能电池板,是用晶体硅材料制成的。这种晶体硅太阳能电池从20世纪70年代开始研制至今,光电转换效率最高能达到25%,这期间经历了将近50年的时间。而目前最热门的研究领域则是钙钛矿型甲胺铅碘薄膜太阳能电池(下文简称钙钛矿太阳能电池),从2009年到2014年的5年间,光电转换效率便从3.8%跃升至19.3%,提高了5倍。钙钛矿太阳能电池的转换效率进步如此之大,而且比传统的硅电池更便宜、更易生产,《科学》(Science)期刊把它评为2013年的10大科学突破之一。

美国国家可再生能源实验室(NationalRenewableEnergyLaboratory,NREL)发布了截止2014年初,各类太阳能电池转换效率的最高纪录。目前转换效率的最高记录是由夏普生产的聚光型三结太阳能电池创造的,高达44.4%。本文介绍的钙钛矿太阳能电池在统计时为17.9%(见图中圆圈),目前钙钛矿太阳能电池转换效率已被加州大学洛杉矶分校的杨阳教授的团队提高到了19.3%。
钙钛矿是什么?

在俄罗斯库萨发现的钙钛矿矿石,藏于哈佛自然历史博物馆Credit:La2O3(CCBY-SA3.0license)。
钙钛矿(perovskite)是德国矿物学家古斯塔夫˙罗斯(GustavRose)在1839年,于俄罗斯中部境内的乌拉尔山脉上发现钙钛矿岩石样本,决定以他心中伟大的地质学家LevPerovski来命名这种矿石[4]。该矿石是普通的金属有机化合物晶体,主要成分是钛酸钙(CaTiO3)。后来人们所指的钙钛矿电池,并不是用他发现的这种矿石材料制成的,而是使用了与钙钛矿晶体结构相似的化合物。

钙钛矿晶体结构示意图
钙钛矿的结构是ABX3的形式。这种结构在每个角共享一个BX6正八面体,其中B是金属阳离子(Sn2+或Pb2+),X是一价阴离子(Cl-,Br-或I-)。钙钛矿中的阳离子A被用来抵消电荷使材料达到电中性,它可以是半径较大碱金属离子等,甚至可以是一个分子。这种奇特的晶体结构让它具备了很多独特的理化性质,比如吸光性、电催化性等等,在化学、物理领域有不小的应用。钙钛矿大家族里现已包括了数百种物质,从导体、半导体到绝缘体,范围极为广泛,其中很多是人工合成的。太阳能电池中用到的钙钛矿(CH3NH3PbI3、CH3NH3PbBr3和CH3NH3PbCl3等)属于半导体,有良好的吸光性。
5年时间,从3.8%到19.3%
2009年时,桐荫横浜大学的宫坂力(TsutomuMiyasaka)率先通过将薄薄的一层钙钛矿(CH3NH3PbI3和CH3NH3PbBr3)当做吸光层应用于染料敏化太阳能电池,制造出了钙钛矿太阳能电池。当时的光电转换率为3.8%。后来研究者对电池进行了改进,转换效率一下翻了一倍。虽然转换效率提高了,但还要面对一个致命问题——钙钛矿中的金属卤化物容易在电池的液体电解质发生水解,导致电池稳定性低,寿命短。[6]
2012年8月,由格拉兹尔(Grätzel)领导的韩国成均馆大学与洛桑理工学院实验室将一种固态的空穴传输材料(holetransportmaterials,HTM)引入太阳能电池,使电池效率一下提高到了10%,而且也解决了电池不稳定的问题,新型的钙钛矿太阳能电池比以前用液体电解液时更容易封装了。这之后,钙钛矿太阳能电池成为了新的研究热点。

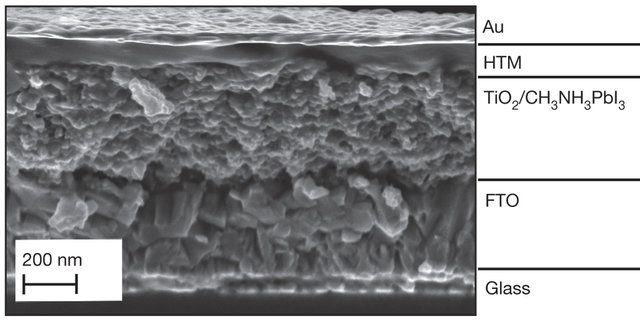
格拉兹尔实验室2013年在《自然》(Nature)期刊上发表的论文中,用扫描电子显微镜观察到的钙钛矿电池横截面图像。从上往下依次是金(作为阳极)、HTM空穴传输层,TiO2/CH3NH3PbI3(钙钛矿)、FTO透明导电玻璃,以及位于最下层的玻璃。
在层出不穷的钙钛矿太阳能电池相关研究中,科学家还发现,钙钛矿不仅吸光性好,也是不错的电荷运输材料。他们不断对钙钛矿材料和结构进行改善,以提高钙钛矿电池的光电转换率。于是就在同年,牛津大学的亨利˙司奈斯(HenrySnaith)将电池中的TiO2用铝材(Al2O3)进行了代替,这样钙钛矿在电池片中就不仅是光的吸收层,也同样可作为传输电荷的半导体材料。由此,钙钛矿电池的转换效率一下攀升到15%[8]。司奈斯表示,“钙钛矿电池的发展太快了,我觉得这个记录很可能马上被打破。”
果然,就在今年8月,加州大学洛杉矶分校的华裔科学家杨阳领导的研究团队,在《科学》(Science)期刊上发表最新研究论文称,他们通过改进钙钛矿结构层,选择更适合传输电荷的材料,让电池两端的电极能收集更多的电。这次研究中,钙钛矿太阳能电池的转换效率最高达到了19.3%[9],成为该领域之最。
未来的清洁能源?
虽然我们已经能够量产转换效率高达25%的晶硅太阳能电池,以及转换效率17%的CIGS(铜铟镓锡)太阳能电池,但我们应该意识到,这些太阳能电池在产生清洁能源时,其生产成本并不低,在原料生产中也会造成一定的环境污染。而其他已量产的有机薄膜太阳能电池和有机无机杂化太阳能电池的转换效率则还停留在10%左右。
钙钛矿太阳能电池不仅转换效率有明显优势,制作工艺也相对简单。实验室中常采用液相沉积、气相沉积工艺,以及液相/气相混合沉积工艺制作。因此,更便宜、更容易制造的钙钛矿太阳能电池,很有可能改变整个太阳能电池的格局。今后,它的发电成本甚至有可能会比火力发电还低。
不过,我们还不能急着向它“托付终身”,想要实现钙钛矿电池的巨大商业价值,目前还有3个难题急需解决:
有毒。钙钛矿电池材料含有铅,这是一种对人体和环境有极大危害的元素。美国西北大学已研发出一种用锡代替铅的钙钛矿太阳能电池,不过这种电池的转换效率还只有6%。这种电池还处于研发初级阶段,效率在未来还有提升空间;
不稳定。钙钛矿中的铅容易氧化挥发,而当晶体遇水时则易分解。如果我们使用钙钛矿电池发电,它很有可能渗出流到屋顶或土壤中,对环境产生威胁;
寿命不长。目前,寿命最长的钙钛矿太阳能电池可达到1000小时,由华中科技大学和洛桑联邦理工学院合作研发。而传统晶硅电池寿命一般可达到25年,比钙钛矿电池长得多。
尽管钙钛矿的未来依旧困难重重,但在能源紧缺的今天,人们不会放弃任何产生新能源的机会。也许有一天,人类就要靠它来提供电力了。(编辑:球藻怪)
原标题:发展迅速的钙钛矿电池,会成为太阳能产业的黑马吗?
索比光伏网 https://news.solarbe.com/201409/03/210637.html

