索比光伏网讯:从2011年起,集装箱式光伏系统接入解决方案开始应用到国内荒漠地面光伏电站里,到2013年,超过70%的大型地面电站,甚至机场、工业企业等大型屋顶电站,都采用了集装箱解决方案。由于集装箱式方案在建设成本、施工进度、系统整体性等方面的显著优势,大多业主和EPC在项目之初就确定了集装箱方案设计路线。经过两年多的应用和改进,国内集装箱式方案不仅保持其在电网接入友好性、初装经济性方面的优势,对于散热防尘等电站运营维护方面的技术提升也都在持续改进。

集装箱方案散热防尘外观
集装箱式方案如何做好散热防尘
大型光伏电站集中开发的西北地区,在享受良好的光照条件的同时,风沙是必须纳入电站设计的因素之一。以光伏逆变器为核心的系统接入设备,防尘、散热一直都是EPC商重点关注的内容,如何在降低功耗、提升通风效率的基础上,提升设备的防护等级,减少积尘,也一直都是设备供应商持续改进提升的方向。
专家介绍,集装箱式方案,不是简单把光伏逆变器安装进标准集装箱,而是把集装箱作为一个系统集成平台进行整体设计,包括进一步提升通风防尘效率,这才是方案的核心技术和价值所在。
合理降低空间减少通风功率损耗、结合内部设备系统设计风道提升散热效率、针对所有进风口进行特殊设计增加过滤装置等,都是普通的自建房所无法实现,也是用户选择集装箱方案放弃自建房方案的技术驱动。
日前,通过对2011年第一批在国内应用集装箱方案的电站运营情况调查发现,在风沙严重的西北地区,一般1MW集装箱的内部清洁除尘工作为每半年进行一次,每次需要一个工作人员耗时大约两小时,防尘效果优于自建房,极大的便利了电站运维和减低成本。
“跨界”融合实现进一步提升
在集装箱方案作为接入系统设计平台的理念为市场所接收并广泛应用后,作为系统的一部分,集装箱也被业内寄予了更高的防尘散热的期望。国内厂商在自主探索研究的同时,也积极借鉴其他领域同类解决方案的成果,首当其冲的是风力发电。
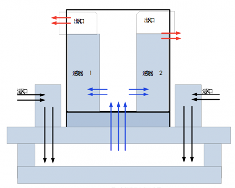
风电行业在产业规模、发展历史上都较光伏行业更为成熟。风场处于风力资源丰富地带,但风沙积尘并非风场日常运营维护的重点难点,风电塔筒在散热防尘方面一定有可取之处。经过比较研究,新型的集装箱方案防尘技术也已投入市场。借鉴风机塔筒在进风风道的设计,新型的集装箱方案采用底部进风的方式,经过底部地基的沉降后,进入逆变房的灰尘大大降低。

图1:底部进风方案示意图
借鉴风机的实际应用情况和国外主流供应商ABB的维护指导,国内几家一线逆变器厂商采用底部进风设计的光伏系统集装箱方案,使内部清洁维护工作仅需每年一次,每次所需要进行的也只有更换空气滤网。对电站业主及运营商而言,这将进一步简化大型地面电站的维护工作,维护成本也基本可以忽略不计。
组串式散热防尘的隐忧
随着分布式屋顶电站的兴起,组串式方案重新回到国内EPC们的视线,最近一年在业内引起了对大型地面电站孰优孰劣的争论。
在资深逆变器技术人员看来,组串式存在一些弊端,只是这种弊端因为使用年限短而没有大范围暴露出来。比如电站日常维护散热防尘,组串式方案应用于西北地区的荒漠地面电站是有风险的。与当下应用最为广泛的集装箱方案进行比较,集中型逆变器自有防尘结构加上专门改造的集装箱外壳双重防护,与直接悬挂在支架上的组串型逆变器的单重防护,防尘效果不言而喻。
“有的组串型产品,采用无外置风扇无外部通风设计,仅通过散热器进行散热,以此提升产品IP防护等级来解决设备内部积尘问题。此种方案应用于环境优良的地区是可行的,但是在风沙肆掠的西北地区,相当于将关键装置散热器至于无任何防护的外界环境下,散热器的积尘将极为严重。”设计院技术专家如是评价。
专家提醒,作为唯一散热的装置,严重积尘不仅是影响散热效率进而降低发电效率,更可能的将是无法散热而导致的炸机危险。如果通过高频率的清洁工作来降低风险的话,每MW多达30-40台分散露天安装的产品,很难估量要有多大的额外投入来维持电站正常运行。

图2:组串型逆变器散热器积尘图示(左:积尘右:无积尘)
根据实际应用情况来看,针对荒漠等气候恶劣地带的大型电站,不论国内还是海外,都以集装箱型方案应用为主,如Helios专为沙漠地区推出的2MW集成中压系统的一体化解决方案。由于在散热、防尘方面的近乎苛刻的要求,组串式逆变器应用于此将大幅提升电站运营的风险和成本。
原标题:从散热防尘看大型地面电站的集装箱方案情结
索比光伏网 https://news.solarbe.com/201408/04/213389.html

