索比光伏网讯:作者:韦 安 博士 北京昆兰新能源技术有限公司
摘要:本文系统地分析和介绍了户用型光伏" title="光伏新闻专题">光伏并网逆变器在技术发展上呈现出的新特点以及未来发展的方向,针对光伏逆变器企业如何应对技术挑战和需求的更高要求提出了一些应对的策略和建议,最后简要介绍了北京昆兰新能源技术有限公司户用型逆变器技术特点及产品情况。
光伏并网逆变器按照应用场合的不同通常分为户用型,商用型和电站型等几大类。其中户用型和商用型通常是用于光伏建筑BIPV, BAPV或者屋顶电站等光伏系统中,具有相近的使用场景和共通的技术特点,因此通常归为一类,称为户用型或组串型并网逆变器,以区别于大型电站型或者集中型逆变器。户用型光伏并网逆变器输出的功率等级范围通常为1kw~30kw或者几十千瓦以下,这类的逆变器通常要满足以下几个要求:
● 单相或三相低/中压并网
● 无变压器设计,大于96%的转换效率
● 壁挂式安装,IP65防护等级,满足户外使用条件
● 整机轻便,显示界面友好,造型美观等
以上这些基本要求实际上满足了最终用户、系统集成商、安装商等各方面需求主体要求光伏系统或者光伏变器能够产生更多的电力,能够安全可靠的并网运行,方便安装、维护、系统的监控和电费的计量等多方面的诉求。图1为户用型系统的应用场景

图1 住宅型光伏系统应用场景
在光伏市场的发展中,最早开始的是国外的户用型系统。在欧洲,澳大利亚等光伏市场发展较早和较快的国家,政府较早的出台了相应的补贴政策,相关的机构出台了并网技术规范和标准,在这些政策和标准的鼓励推动下,这些国家的户用型光伏市场启动和发展的很快。光伏逆变器受到来自两方面的需求和约束,一方面是来自用户,无论是直接用户还是间接用户对逆变器厂商提出的产品功能和性能的需求,另一方面并网逆变器要应对入网国家的相关技术标准和规范,满足产品认证的要求,以适应并网区域或者国家的电网要求。光伏市场在这些国家发展的速度很快,因此来自以上两个方面的要求变化也很快,推动了逆变器技术、产品的创新以及更新换代。本文将全面总结和分析最近出现的针对户用型并网逆变器在技术、产品功能等方面出现的一些新的特点和要求
● 能够接收来自电网的指令,进行并网电气参数的调整
在2012年德国最新颁布的逆变器并入低压电网的《VDE-AR-N 4105》标准中,有两个重要的技术要求,第一是明确要求由电网管理者降低有功,其要点如下:
◆ 出于安全考虑:电网过载。
◆电网管理者能过远程降低有功功率。
◆逆变器需在技术能以小于10%Pn的步长降有功。
◆ 通常的功率降低水平是100%,,60%,,30%,0%
◆响应时间1分钟以内。
另一项是关于无功功率控制的新要求,具体要求如下:
◆ 系统最大总视在功率ΣSmax≤3.68KVA,不需无功可调,功率因数范围是±0.95。
◆系统最大总视在功率3.68KVA< ΣSmax ≤13.8KVA,在±0.95范围内按电网管理者提供特征曲线运行。
◆ 系统最大总视在功率13.8KVA< ΣSmax ,在±0.90范围内按电网管理者提供特征曲线运行。
以上描述的VDE4105标准明确要求对无功,有功功率进行调节和控制,同时提出了调节的方式,这些对逆变器厂商,系统提供商和其它的配套产品提供商都提出了新的要求,特别是逆变器。为了满足新的标准,低压并网型逆变器必须在技术上做升级,这些升级包含几个方面的具体细节,第一是在控制上增加输出功率额度可调的功能,第二是功率因数cosθ能够在一定范围内可调,即增加无功可调功能,通常为了实现cosθ在±0.9范围内可调付出的代价并不大。第三为了满足逆变器能够接受电网指令来完成以上要求的参数调整,逆变器必须在通信上能够提供接受电网指令的接口,通信协议能够兼容一些配套的监控设备,当然逆变器厂商并不一定提供此类产品。因此在VDE4105标准出台以后,立刻对国内外的小功率逆变器厂商制造了一个新的技术门槛,不能满足新标准,意味着此类产品将不能再德国售卖,同时欧洲的其它国家也会参照德国的新标准制定本国的标准,在这些技术点上将出台类似的要求,很快这些标准将在整个欧洲国家内,甚至于在全球推广开来。
作为国内的逆变器厂商,其户用型产品的市场一直在国外,因此包括VDE4105标准等新颁布的并网技术标准对这些企业提出了新的挑战,目前国内有些企业,包括北京昆兰在内都已经通过了该项认证,但也有很多的企业持观望态度,并没有提供类似功能,或者没有做此类认证。从短期利益考虑,目前在欧洲的许多国家以及其他的国家并没有明确提出类似VDE4105标准的技术要求,因此抱着观望态度的这些企业在当前利益没有收到影响或者影响很小的驱动下,并没有认真考虑这些技术要求。但是从未来的发展趋势分析,德国作为光伏技术,标准和市场发展最为先进的国家,往往起到风向标的作用,它的政策,标准的影响力很大,其它欧洲国家及欧洲以外的国家都有效仿和跟随的态势,一旦该标准大面积推广,那些不能满足该标准新要求的企业势必遭受到挫折和损失。另一方面德国出台新的标准从技术上而言是对分布式发电的一项约束和贡献的要求,约束体现在电网管理者会更具电网的承受能力,局部电网的稳定性考虑等原因要求分布式发电装置降低发电功率,动态的调整输出功率,贡献体现在逆变器除了输出有功功率外,也可以向电网输出无功功率,并且输出的额度,输出容型有功还是感性无功是可以调节的,该点要求完全是基于现代电力电子技术能够做到无功补偿这一事实而提出的,在较早的电力电子技术中,不可控和半可控器件以及落后的控制技术等方面制约了类似的要求被实现出来。国内的逆变器厂商也应该充分的认识到新标准要求后面的深刻技术背景,分布式发电要作为电网的一个补充,首先要做到安全,可靠,受控,清洁(电网的清洁指的是谐波含量尽可能小),因此接受来自电网的指令,完成相应的参数调整是完全必要而且是必须的,微电源的优势之一恰恰就在于双向可控。
●多路MPPT追踪,提高系统发电效率
在光伏逆变器的第一个技术竞争大潮中,追求单机转换效率,MPPT追踪效率成为了大家竞相比拼的技术点,拥有更高转换效率的逆变器无疑能够赢得在这类竞争。当前一方面组串型逆变器还在技术朝着提高单机整体效率,单路MPPT效率等方面发展,另一方面的事实也必须引起我们的关注,即在电力电子器件,新型成熟的拓扑结构在较长的时间内没有重大突破的现实下,提高效率的空间已经不大,国内的小功率逆变器厂商的产品和国外的主流逆变器厂商产品在效率参数上已经看齐,在某些机型上甚至超过了国外产品。但组串型,无变压器设计的逆变器的整机效率已经达到了98%以上,逆变器厂商开始了在“小数点”上的挣扎,单机效率的提升已经到了一个饱和线,进一步提升的空间已经不大,但带来的代价也许很大。举例而言,多电平技术能够提升一定的系统效率,但代价是单管使用量加大,三相三电平如果采用传统的二电平全桥,使用6个IGBT,如果改到三电平拓扑,则要在逆变部分增加到12个IGBT,增加器件意味着增加了整机的成本,但能够提升的效率空间在个位数以下,这些性能的提高往往并不能被客户所埋单,客户更加青睐性价比综合较优的机器选择,而不会单纯的追求单机效率。
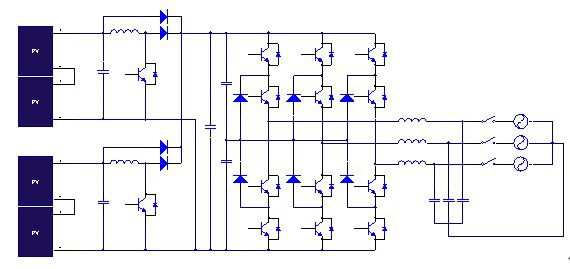
事实上,要使太阳能逆变器的效率提高 1%非常困难,然而由于系统设计不当,而导致发电效果降低10%的情况,却并不少见,有些甚至可能导致系统无法长期正常运行。从这个事实出发,对逆变器设计提出了新的要求,即满足更加灵活的系统配置。在单路MPPT追踪的情况下,所有的PV组件串接起来,接入逆变器,如果组串中有PV组件失效情况发生,则该路的整体MPPT效率会受到影响,从而有可能使得系统的效率大大下降,无论逆变器有多高的转换效率和追踪效率,都无法发挥作用。为了减少这种失效带来的系统效率降低的风险,户用型小功率逆变器出现了多路独立MPPT追踪的技术趋势,多路MPPT能够减小单路MPPT失效带来的损失,给系统的配置带来了更大的灵活性。图2为一种2路MPPT独立追踪的三相三电平并网逆变器电路拓扑图

图2 一种两路独立MPPT逆变拓扑电路
由于采用了新型的拓扑设计,提供了多路的MPPT追踪通道,单通道的效率依然可以做到很高,但同时给用户提供了更加灵活的系统配置以及降低了潜在的系统效率损失的风险,毫无疑问多路MPPT追踪是受用户欢迎的一个新功能。
●多重通信解决方案,满足灵活的监控需求
户用型逆变器安装,使用的场合较为复杂,可以适用于住宅,仓库,公用建筑,办公楼宇,车棚等环境,这也对逆变器的监控提出了更加灵活多变的需求。以前的逆变器设计中,通信多采用有线,如基于RS485的通信接口,客户免不了要在安装时进行布线,同时客户端监控的手段多为基于PC机的应用软件,可以实现一对多的监控。现在这一模式受到了很大的挑战,客户不在满足于有线的方式,而是更多的要求逆变器能够提供无线的监控方案,这一变化一方面要求逆变器本身能够兼容无线通信协议和接口,另一方面能够提供整体的监控方案,特别是客户端的无线监控方案。对于逆变器的设计而言,突破了传统工业系统通信接口和系统监控方案设计的技术路线将对许多从传统电力行业转型过来的逆变器企业构成了挑战。新型的通信和监控方案更多的是基于IT通信领域的技术开发,和传统的电气技术开发截然不同,并且这类产品和解决方案有一定的独立性,可以单独进行产品销售。因此对于逆变器厂商完全可以同专门进行监控产品开发的厂商合作,并提供整体解决方案给客户,逆变器厂商只要开放其部分协议给监控厂商,这种合作模式在目前的逆变器行业中是较为普遍的一种。
监控产品并不只限于对逆变器等光伏系统产品的监控,前面分析提到,逆变器同样要接收来自电网的指令并完成一些电气的控制动作,也就是说监控系统和逆变器的通信是双向的,并且下行指令(监控系统到逆变器)具有一定的实时性要求。因此监控类产品逐渐的具有更强的专业性,提供此类产品的公司应当更加广泛而深入的了解新的技术标准,更加紧密的和逆变器等下游产品合作,不断完善产品和解决方案。图3为KLNE提供的户用系统监控方案。

图3 户用系统监控方案
●更加的注重外观、结构的设计
在最近的几场光伏展会上,越来越少有全新的产品推出来,各逆变器厂商在产品功能,性能等关键因素上趋于相同,竞争的差异化不在于核心技术,而是转向了产品外观设计、显示面板、机构设计等非核心技术的差异化。

图4 新型户用型逆变器外观设计
户用型逆变器的终端用户是个人,家庭,因此逆变器的外观设计向着家用电器类的产品设计靠拢,美观,体积小巧,安装方便,整机重量轻巧,做工细腻,显示面板图形化,直观。这些特征恰恰符合了人们对一个进入家庭的日用产品的需求,很多情况下,家用型逆变器是放置在室内使用的,因此产品本身应该满足噪音低,美观,体积小,显示界面直观,美观,重量小的特点,对于逆变器厂商而言,应该充分的研究目标市场用户对这类电气产品在外观,审美,安装等方面的需求,满足客户的差异化需求,使得逆变器产品除了具备安全性,高效率等条件外,也能够符合用户对外观,界面显示,安装等方面的需求,以更好的满足客户需求,促进市场发展和产品更新换代。
国内逆变器厂商在产品的性能方面已经和国外的同行站到了同一起跑线上,但在产品的稳定性,特别是产品的外观设计方面还整体落后于国外产品,产品外观设计缺乏创意,外观较为古板,显示面板简单朴素,颜色材质也很单一,这样在和国外同类产品在同一市场竞争缺乏优势。造成这一结果的原因是多方面,既有主观的,也有客观的原因,主观的原因在于国内的逆变器产品是跟在国外逆变器产品后面发展起来的,开始是在产品的稳定性,性能方面投入了大量的尽力和关注度,并没有非常的重视非核心技术方面的产品特征,另一方面的客观原因是产品设计并不是很了解国外客户对产品外观等方面的需求,同时也缺乏这方面的研发人才,这并不是逆变器产品的个例,实际上国内很多产品在外观,客户体验方面都和国外产品有很大差距,因此这也是造成这一结果的一个原因。在当前户用型变器产品在国际市场竞争日益激烈的情况下,特别是产品的功能,性能等方面趋同的情况下,国内逆变器产品应该更加的重视产品的外观设计,培养和引进产品外观,结构设计方面的专业人才,深入研究和了解国外用户的需求,借鉴国外同行产品在这方面的经验,大力缩小这一差距。
以上总结了户用型逆变器出现的一些新的技术特点,毫无疑问,市场当前和未来不仅仅追求一个高效率的发电装置,来自各方面的技术约束条件和需求使得这类逆变器要更要着重整机的外观设计,体积重量将进一步减小,功率密度增大,具有高级显示面板和图形化的显示界面,具备进行无线通信的接口,具有多路MPPT追踪以及更宽的MPPT电压范围,能够接受电网侧的调节指令进行无功,有功功率等实时调节,低电压穿越的功能(德国BDEW技术标准要求)。国内的逆变器产品在国外销售具有很强的价格优势,但一位的追求低价并不是一个企业长远发展的策略,也不利于国内光伏逆变器企业在国外整体的竞争,一味的低价势必导致类似于电池组件遭遇的“双反”惩罚,给整个行业的发展带来危机。因此国内的逆变器企业应该做好产品的细节,主动适应最新的技术要求和规范,在提升产品的综合竞争力上下功夫。
北京昆兰新能源技术有限公司是一家国际化的光伏逆变器企业,掌握有光伏并网逆变器的核心技术,在户用型并网逆变器技术,市场方面一直处于国内的领先地位。逆变器品牌KLNE Sunteams系列,Solatec系列逆变器先后荣获Photon实验室A级能效评测结果,整机性能优异。新推出的Sunteams 10-15Kw系列中功率逆变器已经通过了VDE4105标准认证,具备多路MPPT追踪,图形化的显示界面方便直观客户查看关键运行数据。基于先进数字化技术平台推出的SolartecD系列户用型逆变器具有2路独立MPPT追踪,满足VDE4105标准,图形化显示界面,支持蓝牙通信,提供手机监控方案和各种无线监控方案,产品的外观设计新颖,美观,是昆兰基于对市场,技术,客户需求良好把握的前提下推出的重量级产品。北京昆兰将继续在保证产品质量,保持技术先进性的前提下,提供给客户优质性价比的产品,走长远,稳健的发展道路。

图5 KLNE Solartec家用型并网逆变器
作者简介:
韦安:男,中科院自动化研究所博士毕业,IEEE会员,曾担任西门子楼宇科技集团亚太研发中心主任工程师,新奥集团能源服务有限公司技术中心负责人,在国际,国内相关期刊杂志发表论文10多篇,拥有发明专利3项,软件著作权2项,出版专著一部。

索比光伏网 https://news.solarbe.com/201207/23/251192.html

