索比光伏网讯:前两天有一位朋友问笔者冷氢化电加热器的损坏问题,由于目前国内的多晶硅生产企业真正运行冷氢化系统的没有几家,因此一直没有过多的进行关注。但看到他发过来的照片,发现加热器损坏还是蛮严重的。再结合以前就听说冷氢化经常因为设备、管道堵塞而不能正常运营,因此这两天静下心来仔细研究了一下冷氢化设备和工艺,结合笔者以前的经验提出自己对冷氢化的一些想法,供大家讨论。
或许是基于提升自身竞争优势原因,国内企业一直将冷氢化搞得非常神秘,不管有没有开车,开车是否正常,都将其限定在特定的人群,一定的范围之中。这样从表面上来看,技术保密对于企业非常重要,但是从生产运行的角度来看,过度的保密反而影响企业的生产技术发展,这点在企业没有完全掌握此项技术的时候表现的更为明显。没有开放式的共同研究,单凭有限的人员对工艺包的消化,很难快速的达到预期的效果。这一点需要国内的生产企业重新进行审视。
一、冷氢化技术的发展史:
根据冷氢化技术的专利申请人美国LXE公司技术顾问LarryColeman的介绍,冷氢化专利由其于1980提出,1982年批准,2002年过期。整个冷氢化的发展经历了以下过程:
(1)1948年,联合碳素UCC的分公司林德气体为了找到一种合成TCS的方法而最先开发了冷氢化技术,但在当时生产TCS是为了制备有机硅而非高纯硅。
(2)1950~1960,林德公司在西维吉尼亚建了一个用冷氢化技术生产TCS的生产线。同时,他们发现用Si+HCl的方式(合成法)来生产TCS更加经济,于是就将冷氢化技术搁置。
(3)1973年,当第一次石油危机来临后,美国政府开始寻找石油的替代能源,太阳能就是其中之一,很多公司参与了与之相关的研究(包括多晶硅的生产),其中包括UCC。
(4)1977年,美国总统卡特授权美国航空航天署NASA寻找降低太阳能电池板生产成本的方法。此时,多晶硅的生产再次被提上议事日程。UCC当时介入了此事,便重新把硅烷技术(1971年发明)及冷氢化技术找出来,开始准备建立中试装置。
(5)1979~1981年,UCC在Washougal建立了一个做硅烷(100MTA硅烷)的中试工厂(生产硅烷的第一步生产TCS所采用的是可以闭路循环的冷氢化技术),并成功生产出电阻率为10000的多晶硅。他们希望通过国家对太阳能级多晶硅的支持来提升其电子级多晶硅的名气,因为当时工厂还不能够生产电阻率如此高的电子级多晶硅。
(6)1983年,UCC在Moseslake开始建设1000MTA硅烷的扩大化工厂。但当时在位的总统里根为了解决石油企业利润微薄的问题,抽调了供给NASA研究廉价太阳能利用项目组的资金,叫停了太阳能产业的发展。此后,UCC对太阳能的利用失去了兴趣,于1989年将这个1000吨的硅烷工厂以三成的价格卖给了一个叫ASMI的日本企业。
(7)此后几年,ASMI又将50%的股份卖给了REC,至此REC开始进入多晶硅领域,冷氢化技术的工业化生产得以延续。REC也由此成为冷氢化生产技术新的开拓者。
二、冷氢化工艺原理:
目前国内的冷氢化技术主要分为两种,一种就是传统意义上的由H2、硅粉、STC作为原料在催化剂的作用下及中温高压条件下生产TCS的冷氢化技术,其反应原理如下:

另一种是在传统冷氢化技术上引入回收HCl生产TCS的方法,即氯氢化技术。其整合了三氯氢硅合成和冷氢化两者的特点,可看作是传统冷氢化工艺的衍生和优化,将回首HCl得到充分的利用。其反应原理如下:
不论是传统的冷氢化生产技术还是改良后的氯氢化技术,其主要生产工艺流程和设备基本是相同的。
三、冷氢化生产工艺概述:
为了便于讨论,需要先充分了解一下冷氢化的生产工艺。为了防止与相关企业产生不必要的知识产权纠纷,本文中的冷氢化工艺论述均来自笔者自己掌握的一些公开资料及个人的生产技术经验汇编而成的技术方案。任何企业或个人如对本文中所阐述的工艺论述有知识产权疑议,请及时与笔者进行联系确认。
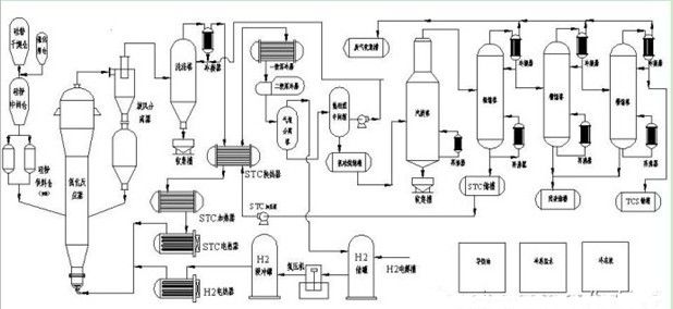
一般的冷氢化工艺可以分为四大部分,即物料供应系统(含STC、H2、硅粉、HCL等)、氢化反应器系统、冷凝分离系统和精馏系统。详细工艺如下图所示:
从工艺流程图中可以看出,硅粉经过干燥后和催化剂在硅粉中间槽内进行H2活化,然后后通过给料仓进入氢化反应器。一般硅粉进入氢化反应器主要有三个部位,反应器顶部、反应器中部和反应器底部,这三个部位进料各有优势,后续进行详细的分析。STC和H2分别经过加压、汽化后按照一定的摩尔比从流化床底部进入,如同TCS合成炉一样,这样可以使氢化反应器内的物料进行充分沸腾反应。反应尾气通过旋风分离器分离掉绝大部分的催化剂和未反应完全的硅粉,之后再进入洗涤塔通过氯硅烷喷淋洗涤进一步除去尾气中的固含物。比较洁净的尾气通过STC加热器与液体STC进行充分换热,然后再通过两级冷凝器对尾气进行深冷,尾气中的氯硅烷变为液体,这样就可以将尾气中H2和HCL与氯硅烷通过气液分离器进行分离。分离出来的气体H2和HCL根据企业工艺和设备情况回收至合成车间或是氢化反应器。液体氯硅烷一部分被泵入尾气洗涤塔来洗涤尾气,剩下的均进入汽提塔进一步除去固体杂质。除杂后的氯硅烷进入粗馏塔进行STC和TCS的分离,STC为液体从塔底排出,TCS成气体从塔顶排出进入下一级精馏塔分别进行除重、除轻处理。精馏后的TCS进入TCS储槽,之后被泵入多晶硅还原工序。
如果从传统的改良西门子法工艺角度来看,冷氢化工艺其实是由三个工序构成的,即TCS合成工序、合成干法尾气回收的冷凝工序和合成精馏工序。笔者之所以从传统的生产工艺角度来对冷氢化进行工序分割,主要是为了便于分析冷氢化经常存在的问题,并给予一些相应的解决方法。
本文作者:成都恒海化工技术服务有限公司 王恒
索比光伏网 https://news.solarbe.com/201207/05/252534.html

