
兵团发展基础
新疆生产建设兵团(以下简称兵团)地处中国西北边陲、亚欧大陆腹地,具有典型的温带大陆性干旱气候特征,云雨量少,大气透明度高,气候干燥,日照时间长,太阳能资源丰富,年平均太阳总辐射量在5000MJ/m2~6500MJ/m2之间,年平均日照时数在2500h~3550h之间,太阳能资源开发利用前景广阔。新疆东北面雄踞着阶梯状的阿尔泰山,南面是高峻陡峭的昆仑山,中部横亘着高大雄伟的天山,形成了三山夹两盆的地形特点。
兵团现有14个师,176个农牧团场,土地面积约7.43万平方公里,占新疆总面积的4.47%。其中第一师、第二师、第三师、第十四师位于南疆地区;第十三师位于东疆地区;第四师、第五师、第六师、第七师、第八师、第九师、第十师、第十二师位于北疆地区。截止2012年底,全兵团总人口264.86万人。
兵团国民经济和社会发展
2012年兵团国民经济继续保持较快增长,初步核算,全年实现兵团生产总值1197.21亿元,比上年增长18.4%。其中,第一产业增加值388.37亿元,增长9.0%;第二产业增加值475.16亿元,增长29.5%;第三产业增加值333.68亿元,增长14.5%。三次产业占生产总值比重为32:40:28。三次产业对经济的贡献率分别为16.3%、61.4%和22.3%,分别拉动经济增长3.0、11.3和4.1个百分点。人均生产总值45501元,比上年增长17.1%。
电力概况
近年来,兵团电力建设取得了显著的成就。截止2012年底,兵团总装机规模为:5548MW,其中火电5056MW,占总装机的91.1%;水电350MW,占总装机的6.3%;风电100MW,占总装机的1.8%;太阳能41 MW,占总装机的0.7%。
兵团尚未形成统一电网,目前兵团电网主要由一师电网、二师电网、三师电网、四师电网、五师电网、六师电网、七师电网、八师电网、九师电网、十师电网、十三师电网及十四师电网等十二个供电区域相对独立的电网组成。目前兵团电网最高运行电压等级为220kV。截至2012年底,兵团电网拥有220kV变电站1座,220kV开关站1座,总变电容量320MVA;110kV变电站58座,总变电容量3127.2MVA;共建成35kV变电站161座,总变电容量1180.26MVA。已建成220kV线路2条,线路总长度131km;已建成110kV线路72条,线路总长度2546.167km,建成35kV线路共209条,线路总长度为3624.657km。
2012年兵团辖区电网全社会用电量总计268.9亿kW·h,最大负荷约5441MW。
气候特征
兵团地处新疆境内,气候与整个新疆一样,都属于干旱的温带大陆性气候。按地理位置的不同,可以分为3种类型。北疆西北部的第四、五、九、十师,属于中温带半干旱区气候;北疆准噶尔盆地的第六、七、八师、十二师和十师的部分地区、属于中温带干旱区气候;南疆(包括东疆)的第一、二、三师、十三师、十四师,属于暖温带干旱区气候。
气候主要特点,一是干燥少雨,二是冬寒夏热,三是日温差大,四是日照丰富。7月,全疆平均气温22~26℃,白天较热,夜间凉爽。但吐鲁番盆地格外酷热,7月平均气温33℃,日高于40℃的酷热日数年均38.2天,气象站百叶箱内最高气温达49.6℃,地表最高气温达82.3℃。新疆夏季高温,高山冰雪融水丰富,有利于农作物的生长。北疆植物生长期平均180多天,南疆200天以上,西北疆160多天,全疆都可种植农作物。
太阳能资源
新疆太阳能资源,主要分布于在东疆、天山以南、天山北麓、北疆中部,依据太阳辐射量分为四个资源带。
(1)东疆为资源丰富带,年太阳总辐射量在5500MJ/m2~6500MJ/m2 之间。其中哈密地区是全疆年总辐射值最多的地区。
(2)天山以南为资源次丰富带,年太阳总辐射量在5300MJ/m2~6200MJ/m2之间。
(3)天山北麓为资源较丰富带,年太阳总辐射量在5100MJ/m2~6100MJ/m2之间。
(4)北疆中部、北部为资源亚丰富带,年太阳总辐射量在5000MJ/m2~5700MJ/m2之间。其中准噶尔盆地中部受地形影响,云量和风沙较多,太阳辐射总量在5200 MJ/m2以下,是新疆平原地区太阳总辐射量最少的地区。
土地资源
2012年,全兵团土地总面积745.63万公顷,农用土地总面积419.86万公顷,其中耕地104.31万公顷,园地6.52万公顷,林地44.39万公顷,牧草地242.65万公顷,建设用地21.05万公顷,未利用地304.72万公顷,其他农用地21.99万公顷。
304.72万公顷未利用地含戈壁、荒漠、山地,其中戈壁、荒漠占未利用地的大多部分。且一般情况下戈壁、荒漠地势较为平坦,宜用来做大规模地面光伏电站。因此,兵团具有建设地面光伏电站的良好土地资源。
交通条件
截止2012年底,新疆铁路营业里程已达4914km,连通了全区主要地州和经济区域。公路总里程16.56 万km,已形成以乌鲁木齐为中心,以七条国道为主骨架,东联甘肃、青海,西出中亚、西亚各国,南通西藏,并与境内68 条省道相连接,境内地市相通、县乡相连的公路交通运输网。全疆现有在用民用运输机场16 个,航线147条,形成了连接国内49 个大中城市和国外42 个城市的空运网。现有一类口岸17 个,二类口岸12 个。
新疆便捷的航运、铁路及公路交通为大规模开发利用太阳能资源、建设太阳能电站奠定了良好的基础条件。
指导思想
以邓小平理论和“三个代表”重要思想为指导,深入贯彻落实科学发展观,按照加快培育和发展战略性新兴产业要求,使兵团太阳能光伏发电产业积极融入新疆综合能源基地建设。把加快发展太阳能发电作为优化能源结构、推进能源生产方式变革的重要举措。充分发挥资源优势、创新发展方式,合理、有序推进兵团太阳能光伏发电。
基本原则
统一规划,优化布局,协调发展。高度重视光伏发电规划,逐步扩大兵团光伏发电的应用规模,合理确定光伏发电分阶段发展目标,并与其他电源建设规划、电网建设规划相协调,确保光伏发电与其他电源的调节能力相适应,与电网接入系统工程建设相匹配。
集中开发与分散利用相结合。坚持集中开发与分散开发相结合,尽量考虑就地消纳,避免远距离大功率输送,最大限度节约电网资源。在太阳能资源和土地资源较为丰富的地区,以增加当地电力供应为目的,建设大型太阳能电站;在太阳能资源较为丰富、经济条件较好的南北疆地区,优先利用建筑屋顶、农田灌溉以及在无电地区建设分布式光伏发电系统,实现集中开发、分散开发和分布式利用共同发展。
市场培育与发展方式创新相结合。通过建设一定规模的太阳能电站和大力推广分布式光伏发电系统,积极培育持续稳定增长的兵团太阳能发电市场。积极开展太阳能发电应用方式和投资、建设及运营模式创新,并通过电力体制机制改革创新,建立和完善太阳能多元化发展的政策体系,为太阳能发电提供广阔的市场空间和良好的发展环境。
总体目标
在规划期内,通过市场竞争机制和规模化发展促进成本持续降低,提高经济性上的竞争力,扩大兵团太阳能资源利用规模,推进太阳能在发电领域的应用,提高太阳能发电装机规模。建立适应太阳能发电发展的管理体制,并通过太阳能光伏发电产业的发展改善兵团各师人民的生活质量。
具体目标
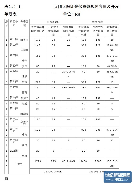
至2015年年底,兵团规划地面并网光伏电站为1770MW(含第十三师外送300MW),分布式光伏发电项目295MW,光伏微电网项目65MW和2.8MWh储能。至2020年年底,兵团规划地面并网光伏电站为3450MW,分布式光伏发电项目1200MW,光伏微电网项目150MW和5.9MWh储能。
重点在太阳能资源丰富的一师、二师、三师、六师、十二师、十三师,启动大型太阳能发电基地建设,建成一批十万千瓦级大型太阳能光伏发电基地。通过“风光互补”、“水光互补”和发展智能微电网示范项目等方式提高可再生能源利用效率。
索比光伏网 https://news.solarbe.com/201509/05/185107.html

