索比光伏网讯:Asian Fabricx私人有限公司是一家大型纺织公司,坐落在KARUR,位于南印度,拥有生产及仓储厂房面积多达4,50,000平方英尺,年营业额5000万美元的。该公司的60kW光伏并网发电系统由Smart Sun公司独立设计及安装维护。此项目的特别在于使用了中国逆变器,正是深圳市英威腾电气科技股份有限公司的iMarsB系列光伏逆变器。

该系统的太阳能电池组件安装在Asian工厂织布车间的铁皮屋顶上,直流配电箱安装在屋顶矮墙内侧,光伏逆变器及交流配电箱安装在车间侧门过道上方的阁楼墙面上。
系统的电气接线图如下所示:

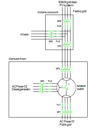
该厂区的电源及交流负载连接示意图如下:

整个系统共用了280Wp的太阳能电池组件216块,英威腾15kW光伏并网逆变器共4台。4台逆变器输出汇流后并入工厂内部的电网,该电网通过厂内变压器接入公共电网,或者直接接入工厂的柴油发电机。厂区一般由公共电网供电,当电网停电时,切换至柴油发电机供电。柴油发电机启动一次大约工作2个小时,
每天工作1到2次。因为印度电网供电不很稳定,经常停电,另外供电公司电费比较贵,柴油发电机发电的成本也比较高,所以这套光伏发电系统主要是自发自用,以减少电费及柴油成本。
此套光伏发电系统采用局域网监控模式,使用了英威腾iMarsWiFi100通讯选配件,将逆变器中的数据通过RS485通讯方式送至WiFi100通讯选配件,再转换为以太网有线或WiFi无线的方式输出,最后接入本地路由器。安装了英威腾iMars WinExpert光伏系统监控软件的上位机监控电脑通过访问本的局域网,接入WiFi100通讯选配件的IP地址和端口号,即可记录显示该光伏系统的发电情况及逆变器的运行状况。



索比光伏网 https://news.solarbe.com/201506/10/189436.html

