索比光伏网讯:随着社会对能源的需求量越来越大,"能源安全危机"的问题也愈发突显。对此,经济和社会学家舍尔赫尔曼曾提出"阳光型世界经济"的概念,指出利用阳光型能源和阳光型原材料即可再生能源来满足人类对能源和原材料的总体需求,可为世界经济发展提供一个可持续增长的长远战略和出路。因此,开发利用可再生能源、实现能源工业可持续发展的任务更加迫切,更具深远的意义。
太阳辐射能具有取之不尽、用之不竭、无污染、廉价、能够自由利用等特点,引起了人们对研究太阳电池的浓厚兴趣。太阳电池具有质量轻、使用安全、不污染环境、工作时不产生热量等优点,是一种电压稳定性良好的纯直流电源。近年来,太阳电池应用于太阳光发电的技术已经取得了很大进展,很可能成为人类未来主要电力来源之一。因此,太阳电池的研究有极其重要的意义。
随着太阳电池的广泛应用,一些影响电池寿命的不利因素也出现在我们面前。热斑就是其中之一。
一、热斑的成因
太阳电池热斑是指太阳电池组件在阳光照射下,由于部分组件受到遮挡无法工作,使得被遮盖的部分升温远远大于未被遮盖部分,致使温度过高出现烧坏的暗斑,如图1所示。热斑可能导致整个电池组件损坏,造成损失。因此,需要研究造成热斑的内在原因,从而减小热斑形成的可能性。太阳电池热斑的形成主要由两个内在因素构成,分别与内阻和太阳电池自身暗电流大小有关。

图1太阳组件出现热斑损坏的实验照片
通常简化假定其温度取决于下列几个主要因素:日照强度L、环境温度T,以及内阻产生的温升Ti,组件温度(阵列温度)T可近似地按下式计算:

式中:L=0,Ts=0,Ti=0时阵列的温度;To、a1、a2为根据实验数据按最小二乘法处理后所得的系数,与所使用的太阳电池的类型、安装地点、支架形式等因素都有关系。由式(1)可见,当光伏" title="光伏新闻专题">光伏阵列中太阳电池被云、树叶或其它物体遮挡时,由于光照的变化,其温度将明显不同于阵列中那些未被遮挡的部分。同样,当光伏电池处于开路、短路或典型负载等不同工作状态时,由于流过的电流和内阻均有变化,其温度亦有所不同。当太阳电池组件中部分电池损坏时,其温度差异将更加明显。
二、热斑与暗电流的关系
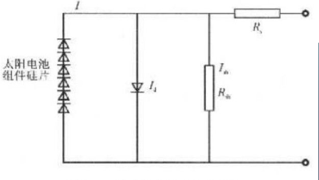
由于一个太阳电池组件一般包含36或72块太阳电池硅片,不同的硅片的暗电流是不一样的,由图2所示太阳电池简略示意图可分析如下。

图2太阳电池简略示意图
在短路情况下,当太阳电池组件其中某个硅片被遮挡时,它就不再正常工作,发挥太阳电池的作用,而是相当于一个内阻,此时由其他太阳电池组件进行供电,由

可知,此硅片生热主要取决于电流I的大小,而

可知,此硅片生热主要取决于电流I的大小,而式中:I为逆电流;Id为暗电流;
Ish为流过并联电阻的电流)对于不同的太阳电池硅片来说,每一块太阳电池硅片的暗电流是不一样的。因此由式(2)我们可以得出结论,逆电流较大的太阳电池硅片,在外界环境相同的条件下,其产生热斑的可能性较大。
三、结语
多晶硅太阳电池用作地面上的电源时,根据需要将单片电池先进行串并联组合,然后密封在透明外壳中以构成太阳能组件。外壳通常用强化玻璃和透明的耐水性树脂构成。多晶硅太阳电池在构成组件后,已装有旁路二极管用以消除热斑。
对于暗电流的分析,由于在此实验不易单独区分出暗电流与逆电流。但二者所反映的函数特征是一致的。因为逆电流在现实实验中较暗电流容易测出,故可用逆电流代替暗电流,试验结果反映曲线的特性也是没有改变的。通过对7片电池进行遮挡,测量温度变化率及电池的暗电流,进行分析得出结论逆电流大的电池更易产生热斑。(作者互联网)
索比光伏网 https://news.solarbe.com/201204/23/256956.html

