据统计,从2025年11月至今的三个多月,就有云南、青海、河北、山东四地50个绿电直连项目获批,规模总计约8.45GW,其中光伏约3.33GW。

2025年5月,国家发改委、国家能源局联合出台《关于有序推动绿电直连发展有关事项的通知》(发改能源〔2025〕650号),首次从国家层面明确“绿电直连”这一新能源供用电新模式的规则框架。
所谓绿电直连,指风光等新能源不直接接入公共电网,而通过专用电力线路与单一电力用户实现直接连接。项目建成后,可以自主选择离网运行模式或并网运行模式。
云南
2025年11月13日,云南发改委发布2025年第一批绿电直连项目结果,共4个项目入选,风光总规模为434.92MW。根据项目清单来看,入选项目的光伏规模总计207.42MW,风电规模为227.5MW。涉及业主为中国移动、贝特瑞新材料、重庆剑涛、银星能源4家企业,项目类型包括智算中心、石墨化负极材料、铝合金以及氧化矿处理。

青海
11月28日,青海省发展和改革委员会公示青海省首批绿电直连试点项目清单。根据公示,共7个项目拟纳入首批试点项目清单。规模合计2237.93MW。其中光伏429.93MW,风电1750MW,光热58MW。

根据入围项目清单来看,青海投资集团项目规模最高达到600MW,其次为大唐及其联合体、中铝等项目规模达到400MW以上,华能与联通联合体、中石油等也有项目入选。从项目类型来看,包括电解铝、智算融合、油田项目等多个类型。
山东
2025年12月31日,山东省东营时代新能源科技有限公司东营绿色制造基地绿电直连项目实施方案正式获批。该项目为山东省首个获批的绿电直连项目,为新能源就近就地高效消纳与产业绿色低碳转型探索了新路径。此外,该项目更是创下了全国首个以“新增负荷、专属电源、专用电网、配套储能”四位一体方式取得省级核准的纪录。

负荷端:为新增负荷,建设40GWh锂电池电芯绿色制造基地,年用电量5亿千瓦时;
电源侧:建设总规模345兆瓦的新能源设施,其中风电75兆瓦、光伏270兆瓦;
电网侧:新建2座110kV变电站,2回110kV直连输电线路;
储能侧:建设总规模300MW/1200MWh的储能系统。
项目计划于2026年12月底前实现源、网、荷、储各侧建设内容同步建成投运,为锂离子电池出口提供可靠的绿电溯源依据。
河北
·2025年12月31日,河北省发展和改革委员会发布关于下达河北省2025年绿电直连项目的通知。文件显示,本次下达全省绿电直连项目共31个、415.252万千瓦。各市能源主管部门要按照国家和全省绿电直连有关政策要求,督促项目单位加快推进前期工作,争取尽早开工建设。并网型项目为新增负荷的,电源与直连工程应与负荷同步投运,原则上本批次项目需在2028年底前建成投运。其中,风电项目规模为2.54GW,光伏项目规模为1.62GW。
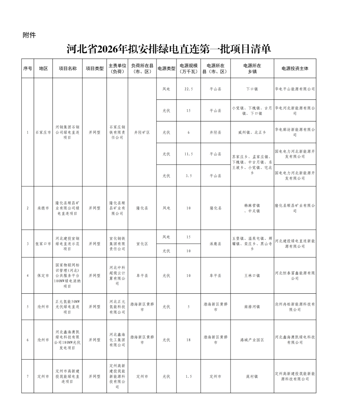
·2026年2月6日,河北省发展和改革委员会公示河北省2026年绿电直连拟安排第一批项目情况。文件显示,本次公示项目共7个、128万千瓦。其中,光伏规模80.5万千瓦,风电规模47.5万千瓦。

项目业主方面,涉及华电、河北建投、河北鑫海控股集团有限公司、国家能源集团、电家能源(北京)有限公司、燕北资源(天津)有限责任公司、沧州烁铭新能源科技有限公司、定州筑能新能源科技有限公司获得指标。
索比光伏网 https://news.solarbe.com/202602/09/50018190.html

