
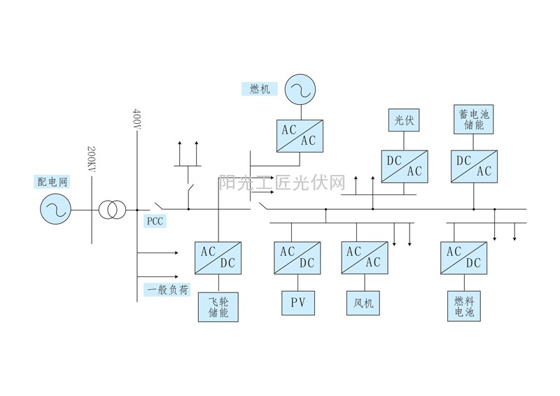
该项目由国家发改委投资,白云电气集团负责建设,广东太阳库新能源科技有限公司负责施工,是国内较大规模的新能源应用及智能微电网示范项目。项目由3个子微网组成,子微网1和子微网2为400V 交流微网,微网3为直流微网。项目包括:30千瓦光伏发电系统、4.5千瓦小型风力发电系统、30千瓦时储能系统、20千焦超级电容器组等装置以及电动汽车充换电站用电负荷、30千瓦微电网模拟负荷。
本项目是国家科技示范项目,享受国家科技创新补贴,建成后将成为广东规模最大、科技含量最高、综合效益最好的风电、光伏、储能新能源微电网综合示范项目,成为电网节能减排的典范。
实验室系统接线示如下图所示:

一、项目建设内容
子微网1
并网开关采用静态开关,可以研究并离网有缝/无缝切换,子微网1设备包括:
序号 设备名称 功率
1 水平轴风机 1.5kW(3台)
2 多晶硅光伏组件 30kW
3 光伏逆变器 30kW
4 电能计量表
5 交流可调电容-电阻-电感负载柜30kW
6 铅酸电池 30kWh
7 储能双向逆变器 50kW
子微网2
用于研究功率型和能量型混合电源。设备包括:
序号 设备名称 功率
1 模拟光伏源 30kW
2 光伏逆变器 30kW
3 锂电池 30kWh
4 储能双向变流器 50kW
5 超级电容 20kW*15s
6 超级电容逆变器 20kW
7 电动汽车交流充电桩7kW
子微网2 接入白云电气大厦1 路15kW 负荷。
子微网3
用于家庭直流微网与光伏直流充电桩。直流微网母线电压根据投标方直流微网整体解决方案自行规定。设备包括:
序号 设备名称 功率
1 AC/DC双向变流器
2 铅酸电池及其双向DC/DC 模块 30kWh
3多晶硅光伏组件及其DC/DC 功率模块20kW
4电动汽车直流充电桩
5接LED 与家用电器负载的 DC/DC 功率模块
当市电断开时,直流微网可以由直流微网内的储能与光伏发电给充电桩或者LED 与家用电器独立供电。
通过该实验研究平台,将实现电动汽车微型充换电站电力生产零排放,具备分布式电源接入配电网、微电网运行控制和与智能配电网联合运行相关科学研究、试验验证、策略验证和检测分析能力,可开展微电网协调控制、保护技术、电能质量控制技术以及并网特性检测等方面的研究。
二、白云电气智能微电网核心技术:
1、微网项目技术构成
白云电气智能微网包括发电、输电、存储、配电和用电全过程,具有内部分布式电源种类多样、独立运行和联网运行两种模式等特点,必须有一系列相关技术保证微网能够稳定、高效、可靠运行,并最大提高分布式发电利用率,发挥出分布式电源力。

直流母线式
系统中的DG、储能装置、负荷等均通过电力电子变换装置连接至直流母线。

交流母线式
交流微网中,DG、储能装置等均通过电力电子装置连接至交流母线。

微网中既含有交流母线又含直流母线。

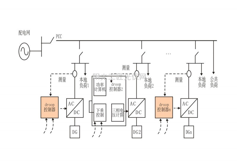
3、微网控制策略
主从控制模式
微网处于孤岛运行时,其中一个DG(或储能装置)采取V/F控制,其它DG采用PQ控制。

对等控制模式
微网中所有的DG在控制上都具有同等的地位,每个DG都根据接入系统点电压和频率的就地信息进行控制。

分层控制模式
一般设有中央控制单元,用于向微网中的DG发出控制信息。由中心控制器控制各DG、负荷和储能装置的起停,保证微网电压和频率的稳定。

分层控制结构
1)基层控制器:基层微电源控制器(MC)、基层负荷控制器(LC);
2)微网中心控制单元(MGCU):根据波动能源(太阳能、风能)预测结果和调度优化策略,产生优化发电计划,使系统的发电、用电功率达到平衡,并将优化后的指令传送到MC、LC;
3)微网能量管理系统:调节微网和主网之间的交互功率,完成微网的能量管理与运行调度;
4、直流家电技术
直流家电是直接采用直流电力驱动的家用电器产品,针对未来在住宅中采用直流供电的应用条件而开发。目前在白色家电中的高端产品,虽然不少已经采用直流调速技术,但是运行时同样需要将输入的交流电整流。住宅用直流电一般需要由安装在住宅中的太阳能光伏发电和风力发电设备提供,由于其技术特性的原因,通常需要与蓄电池配合运行。按日本有关机构测算,若在住宅中全面实施直流供电,仅在电能转换过程节省的能耗,大约为现有住宅电力消耗量的10~20%。
目前日本住宅直流供电的方案大体以48V为基本电压参数,大功率用电器具如空调器和电动汽车供电器等,则采用200V电压,此外,12V、24V、100V、300V都是考虑采用的电压参数。鉴于直流48V电压略低于交流36V的电压峰值,而且48V直流供电方式是目前电信设备普遍采用的供电方式,多年来积累的运行经验可以借鉴,电气元件较易从市场获得,如果能够以48V作为住宅直流供电的标准电压,近期对于住宅直流供电技术发展可能是较为有利的。若电压较低在防触电保护等电气安全方面的费用会有所降低,但是,由于电流较大将导致在导电材料方面的支出需要增加,尤其是电器产品的功率较大时,外形会变得比较大而且制造成本相应提高。所以,从近年供电标准的发展情况来看,更多是关注通常提高电压改善大功率耗电设备的效率和技术经济性。欧洲标准化委员会(ETSI)已经提出300V直流供电的信息和通信设备标准,以此取代48V直流供电,与此同时,欧洲地区已经有数个300V以上电压直流供电项目试验。较高的电压一般以现有家电标准允许的交流电压对应的峰值为上限,IEC 60336系列标准的交流电压上限为250V,对应的峰值为353.6V,因此,采用350V作为直流供电标准电压,基本上不会对电气绝缘方面的要求有明显的变化。因此,广东白色家电产学研创新联盟直流家电技术工作组拟定48V作为小功率电器供电电压,而350V则作为大功率电器的供电电压。
三、智能微网项目建设目标
将项目建设以“绿色发电”“高效储电”“可靠供电”“智能用电”“绿色出行”“节能降耗”“微电网智能控制”为特点,充分体现多种优化目标相协调的智能微电网综合研究、示范、展示基地。
1、智能微网项目建设意义
通过该示范工程,能够有效地解决分布式能源接入电网的问题,推动新能源产业的进步,实现能源的优化配置以及微电网运行的经济高效,并实现微电网与用户的双向互动,提升用户服务质量,满足用户多元化需求,最终促进电网的节能减排。
示范窗口:将进一步推动把广州建成发展分布式清洁能源国际化示范窗口,实现零碳排放。
推广价值:有机结合现有配电网结构,建设的“具有中国特色的多级智能微电网系统”,安全可靠,实用性强,具有很大的推广价值。
技术节能:通过电力需求侧响应(DR)、智能交互用电,以及电价政策研究(实时、阶梯)及推广,引导用户经济、有序、合理用电。
绿色出行:通过电动汽车光伏充电示范,引领市民绿色出行、低碳生活理念。
先试先行:本项目紧扣当今电力市场政策的热点、难点问题,为我国智能微电网商业运营模式创新探索道路。
2、本智能微电网系统的特色
采用中国特色的微电网网架结构:结合中国配电网结构设计,PCC点分界点明确,多级微网架构,分级管理,各级微电网既可并网运行,又可孤网运行,做到并网并得上,孤网稳得住,隔离足够快(<10ms),切换平滑无缝。
系统规模大、要素全、绿色供电:光伏发电接入30kW,配合风力发电4.5kW,各类储能系统30kw,新能源与多元储能系统集中结合分散式设置,满足近期园区全绿色供电,并可适当向市网送电。该微电网具有风、光、储、变、配、用、调、通智能电网的八大要素,充分展示了绿色能源,高可靠供电,智能用电的先进理念及技术。
一体化智能调度管理及综合展示:微电网与新能源、智能配电、智能用电、能源管理有机结合,以及智能微电网新技术展示需求,建设综合一体化的智能微电网控制与能源服务中心、展示中心,实现各个环节的优化与自适应互动控制、用电的智能化和高效化,以及互动展示。
索比光伏网 https://news.solarbe.com/201507/06/188112.html

