索比光伏网讯:因地制宜,科学设计——即根据光伏电站所处环境和电网接入要求,合理选择逆变器类型,满足电站建设方、投资方、运营方以及电网等相关多方在安全、友好、智能和高效方面的价值需求,使得各方共同利益最大化,促进光伏行业健康、有序发展。
一、光伏电站分类及逆变器适用方案
按照安装环境的不同,业内一般把光伏电站分为荒漠电站、山丘电站及屋顶电站三种主要类型,各种类型的主要特点、在国内的主要应用区域,以及适用的逆变器方案见下表。

二、荒漠电站光伏逆变器选型实例
在荒漠电站中,由于在初始投资、运维经济性和便利性、以及电网接入友好性方面的显著优势,适合选用集中型逆变器方案。以1MW单元为例,典型的荒漠电站集中型方案配置如表2所示,系统图图1所示。


图1 荒漠电站集中型方案系统图
由于电站规模庞大,对光伏年度装机目标达成和降低光伏成本的拉动作用明显,荒漠电站是大多国家和地区的主要光伏开发形式。从2009年西北的10MW特许权项目开始,荒漠电站就一直占据每年中国新增光伏应用的绝大比例。针对荒漠电站解决方案也在不断发展,从最初的集中型逆变器加配电房,发展到集装箱外形平台的集中型逆变器方案,再到2013年的集中型逆变器加标准十尺集装箱外形的最新方案,整体方案不断集成完善。

图2 集中型方案荒漠电站应用案例
以SG1000TS为代表的最新集装箱方案,使用最小外形的标准集装箱柜,同时内置直流配电柜和通讯柜等设备。在保持核心设备SG500MX集中型逆变器高效、稳定的优势基础上,SG1000TS优势更加明显,整体系统更集成、更简洁、施工运维更为便利,整体结构更结实、长寿命、可回收、标准化、无需外包装,它是当前应用最为广泛的以集装箱为载体的集中型方案,在内蒙古兴和察尔湖电站项目、三峡新能源甘肃瓜州电站项目、新疆乌怡县综艺新能源电站项目、宁夏平罗光伏并网电站项目等多个荒漠电站中大量应用。
三、山丘电站光伏逆变器选型实例
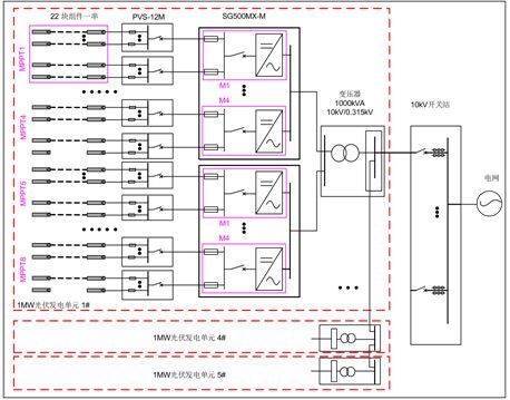
山丘电站地处山地或丘陵,地势起伏,一般规模较大,并入输电网,综合前期组件铺设的选址规划,推荐选用多MPPT集中型逆变器,即具有多路MPPT功能的集中型逆变器;在非常复杂的山丘地形中,如实现100KW组件同一朝向铺设难度大,可以考虑组串型方案。以1MW单元为例,典型的山丘电站多MPPT集中型方案配置和系统图如下:


图3 山丘电站多MPPT集中型方案系统图
山丘电站是近期出现的光伏应用形式,由于同样是容量大且并入输电网,可以归入地面电站一类。但是由于地势起伏,导致组件朝向不能全部一致,且可能存在地形引起的光照遮挡,在设计选型时,需要在荒漠地面电站集中型逆变器方案的基础上,增加多MPPT的功能要求。

图4 多MPPT集中型方案山丘电站应用案例
以SG500MX-M代表的多MPPT集中型逆变器,是针对山丘电站开发的方案机型,保持集中型逆变器在经济性、稳定性、和电网友好性的优势同时,将同一朝向布置的组件规模控制在125KW,兼顾了设计施工的可行性和运营发电的高效性。该型号产品三电平架构、四路MPPT模组化设计、运行更高效更稳定;可低压侧直接并联扩容、支持双绕组变压器并网、共模干扰小、谐波含量小,对电网接入更友好;保持所有部件前维护和全模块化设计等便捷维护优势,已经应用于浙江、广西和河南等地的多个光伏电站项目。
四、屋顶电站光伏逆变器选型实例
建筑屋顶结构复杂,多存在遮挡和朝向不一致情况,推荐选用组串型逆变器;有的工业厂房屋顶是彩钢材质,承重有限,也可以选用集中型方案。以1MW单元为例,典型的10KV并网的屋顶电站组串型方案配置和系统图如下:


图5 屋顶电站组串型方案系统图
由于靠近负荷端,所发电量大多本地消耗,不需要远程输电,屋顶电站是各个国家的重要光伏开发形式。在国内,2009年启动的金太阳工程,以及2013年开始提倡的分布式光伏应用,都是以屋顶电站为主。

图6 组串型方案屋顶电站应用案例
以SG30/40/50/60KTL系列为代表的组串型方案,适合10KV电网接入和400/480V电网接入,是当前全球应用最为广泛的机型之一,方案的经济性、稳定性、灵活性优势突出。该系列组串型产品,为全球最高效率的商业化光伏逆变器,具备直流拉弧检测及保护、集成直流熔丝和二级防雷等火灾防护功能;同时集成汇流,具备组件PID消除功能,在德国、荷兰、奥地利、意大利、美国等国家和地区的各种屋顶电站中大量应用。
五、总结
逆变器作为组件和电网之间的桥梁,是光伏系统的关键核心部件。不同的应用场合中,选择合适的逆变器,对系统生命周期内的发电量和系统成本都有显著影响,需要根据不同应用环境的实际情况,因地制宜,科学设计,使得用户、业主和投资方的合理收益得到最大保证,才能更有利于光伏行业的健康、可持续发展。
原标题:“因地制宜,科学设计”,光伏电站逆变器选型实例
索比光伏网 https://news.solarbe.com/201410/28/207332.html

