
背景
传统的集中式光伏发电系统由于受到周边建筑物、云朵位置、邻近障碍物的大小等不可预见的因素,将对光伏组件阵列的功率造成难以估计的损失。因此,近年来国内外学者针对上述局部阴影产生的光伏阵列功率多峰问题进行了多种全局最大功率点(Global Maximum Power Point Tracking GMPPT)的研究探索取得了一些显著成果,但仍然无法使每个光伏组件工作在各自的最大功率点(Maximum Power Point MPP)处,没有彻底解决因局部阴影遮挡问题带来的组串整体功率的损失。
对于集中光伏发电系统,由于只有一个能量变换环节 DC- AC,控制时既要考虑跟踪光伏板最大功率点,又要保证电网输出电压的幅值相位和正弦度,控制较为复杂逆变器多路输入使用同一个MPPT ,不能识别串并联支路光伏组件的差异,会大幅度降低发电效率,因此对于光伏组件参数的离散性或太阳辐射条件的差异造成的能量损失是无能为力的。

同时,在串联连接时若电流不匹配,会造成阵列工作在某一状态下时,阵列内个别光伏组件处于反向偏置形成热斑,在并联联接时若电压不匹配,会造成组件阵列工作在某一状态下时,阵列内形成环流热斑和环流都会使串并联联接中的个别组件处于消耗功率的状态,并可能损害组件寿命,特别当光伏组件阵列无法工作在均匀的光照下,产生的失配损失就更大,组件通过接线盒中旁通二极管的连接可将工作异常的电池串旁通,部分减少电池或组件之间的电流不匹配带来的功率损失,但无法消除因组串中任意一块低电流的电池组件所带来的电流匹配问题。
目前在组件端消除失配影响的解决方案之一为使用功率优化器( 即直流到直流转化器) ,在包含多路串联并行的电池组件,每一块光伏组件连接一个具有独立最大功率点跟踪功能的功率优化器,且每个光伏组件的输出接入至功率优化器模块的输入端。
光伏优化器可根据串联电路需要,将低电流转化为高电流,最后将各功率优化器的输出端串联并接入汇流箱或逆变器。优化器监控并优化每块光伏电池板的电能,即使阵列中任意一块电池板出现失配问题时,其他电池板仍然能输出最大功率,因而能够补偿因失配问题而产生的发电量损失。它具有最大能量采集转换功能,数据采集功能和通讯功能,可快速、轻松地安装在太阳能光伏系统中,可适合在不同规模的并网光伏发电系统中应用。
光伏功率优化器的基本原理
对于传统的组串设计方案,当某一组串的其中一块组件受到阴影遮挡,如工作电流降由原来的8A降低为7.5 A,由于是串联电路,造成整串的电流降低,那么整串的功率输出由原来的2400W降低为240Wp*(1-9%)*10=2184W,降低比例9%。
当增加优化器后,被阴影遮挡的组件不再影响其他组件的发电,通过优化器内部的小变压器DC-DC控制电路来改变组件的输出电流,和其他组件的电流进行匹配(当然优化器需要监测同一路组串上其他组件的输出电流,发现不一致后才能对自身的输出电流大小的进行调节),该组件电流7.5A提升为8A,电压由29V降低为27.18A,那么实际的功率输出为240Wp*9+240Wp*(1-9%)=2377.5W,即实际损失功率0.9%。
每块光伏组件均接入功率优化器,每块组件相对于光伏阵列来说是一个独立的整体,它的输出功率不会受到其他任何组件的影响,一直输出在当前环境条件下的最大功率值。当然组件级优化器也可以设置为实时和逆变器配套,并进行通讯,按照逆变器的最佳功率点电压进行分配。这样连接每一块组件的优化器的输出就受到逆变器的影响,在保证电流一致的情况下,按逆变器的指令进行输出,使其始终工作在效率最高的电压点上。
对于数据采集和监控,对于每一块接了光伏优化器的光伏组件的实时电压、电流、功率和直流电量均经数据采集器传输到监控服务器,参考图1通讯结构。

图1 通讯架构
功率优化器软件模拟
功率优化器的发电提升和电站的实际情况有很大关系,如在平坦地面无障碍物遮挡的大型电站和分布式光伏电站两者的提升比例是不相同的,刚投运的光伏电站和并网运行有一定年数的电站安装功率优化器的提升比例也是不相同的,因此有必要通过实际的场景来进行实验,积累数据进行组串分析,可为电站的优化运行提供有益的参考。
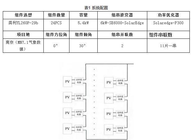
下文通过PVsyst软件来初步模拟使用Solaredge优化器后系统的发电提升情况,系统配置参考表1。光伏组件24片,容量5.4kW,使用SolarEdge优化器配套的组串逆变器,项目地参考南京。系统架构参考图2.
表1 系统配置
组件选型组件数量容量组串逆变器功率优化器
英利YL260P-29b24PCS5.4kW6kW-SE6000-SolarEdgeSolaredge-P300
项目地组件方位角组件倾角组串并联数组件串联数
南京(MN7.1气象数据)0°30°211片一串

图2系统结构
通过对该户用系统进行建模和组件布置,可得到表2所示阴影遮挡系数。
表2 阴影遮挡系数

图3为模拟结果,从结果可知,使用优化器后,同一串组件之间的电性能失配损失降低为0。

图3 PVsyst模拟结果
图4为增加优化器后的全年光伏出力增益,在不同的辐照下,提升的比例是不同的。虽然目前PVsyst6.0版本对功率优化器系统的模拟的精确度尚存在一定不足,但是总体上从软件模拟来看,发电量是有一定提升。

图4 逆变器直流侧输入功率增益(单位:W)
小结
光伏阵列不管是集中式的MPPT架构或组串式的MPPT架构,由于阵列中的光伏组件特性不一致容易造成电流失配问题,导致系统的整体发电效率大幅下降。为解决此问题,行业内提出了分布式光伏功率优化器的阵列架构,为解决光伏阵列串联组件的电流失配问题提供了新的途径。
文中在组串式MPPT架构的基础上,在单个光伏组件接入功率优化器,分析了使用优化器前和优化器后光伏组串的发电提升情况,当光伏阵列存在失配时,安装有功率优化器的光伏实验阵列可提高发电量,并根据失配比例的不同,发电量增益也不同,根据我们以往相关实验的数据,已经运行两年左右的光伏电站,5°坡角的彩钢瓦屋面组件顺坡布置方式提升比例约在10%以上,经过实际数据测算,按目前优化器系统(含远程监控系统)的市场价(≈0.5元/瓦),那么成本回收期应约为7-8年。
参考文献
[1]王坤, 施火泉. 光伏系统分布式功率的优化[J]. 江南大学学报(自然科学版), 2012, 11(2):169-172.
[2] 徐晓冰. 光伏跟踪系统智能控制方法的研究[D]. 合肥工业大学, 2010.
索比光伏网 https://news.solarbe.com/201703/19/110399.html

